USB Anschluß
- Micha
- Fleißiger Poster

- Beiträge: 131
- Registriert: Mi Mär 20, 2013 21:03
- Wohnort: Berlin
USB Anschluß
Hallo Elektrik-Profis,
ich möchte gern einen USB Anschluß an meine XT bauen.
Z.B. den Daytona Traveller-Kit USB vom Lackritzschneckenversand. s. Bild Möchte gern ab und zu mein Mobiltelefon als Navi nutzen.
Ich habe einen SR Motor mit SR Lima drin und keine Batterie, also einen Kondensator verbaut.
Jetzt meine Frage:
Funktioniert das auch ohne Batterie? Oder sind dann die Spannungsschwankungen anders als mit Batterie?
Noch wichtiger:
Kann das Mobiltelefon, welches ich als Navi nutzen möchte, Schaden davon tragen?
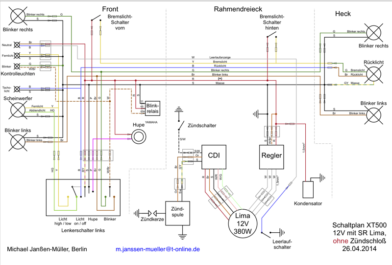
Anbei noch mein Schaltplan.
Ich würde mich sehr über Eure Meinungen / Erfahrungen freuen.
ich möchte gern einen USB Anschluß an meine XT bauen.
Z.B. den Daytona Traveller-Kit USB vom Lackritzschneckenversand. s. Bild Möchte gern ab und zu mein Mobiltelefon als Navi nutzen.
Ich habe einen SR Motor mit SR Lima drin und keine Batterie, also einen Kondensator verbaut.
Jetzt meine Frage:
Funktioniert das auch ohne Batterie? Oder sind dann die Spannungsschwankungen anders als mit Batterie?
Noch wichtiger:
Kann das Mobiltelefon, welches ich als Navi nutzen möchte, Schaden davon tragen?
Anbei noch mein Schaltplan.
Ich würde mich sehr über Eure Meinungen / Erfahrungen freuen.
Gruß
Micha
- XT500, SR Motor, 25kW eingetragen, Auspuff: ARROW Paris-Dakar, Vergaser VM34, Schwinge KLX 250, Gabel u. Vorderrad XT 600 3TB, Reifen 90/90x21, 130/80x18 auf 2,50" Felge, ALLES TÜV
Micha
- XT500, SR Motor, 25kW eingetragen, Auspuff: ARROW Paris-Dakar, Vergaser VM34, Schwinge KLX 250, Gabel u. Vorderrad XT 600 3TB, Reifen 90/90x21, 130/80x18 auf 2,50" Felge, ALLES TÜV
- TT Georg
- Fleißiger Forums-Guru

- Beiträge: 3337
- Registriert: Fr Apr 23, 2004 23:34
- Wohnort: 44289 Dortmund
- Kontaktdaten:
Re: USB Anschluß
Hmh, gestern bei mir auch montiert, ne dose für den usb adapter...funzt. habe aber ne batterie. das mit dem kondensator versteh ich eh nicht. würde ich mir nie einbauen, dann lieber nen ganz kleinen 1,2ah Panasonic akku. dann habe ich strom zum laden, ist nicht größer wie der kondensator.
georg
georg
Wenn mir als 18jähriger im Jahr 1988 gesagt hätte, das ich dieses 40 Jahre alte Moped fahren soll um cool zu sein, dann haetten ich wohl ganz brav den Mittelfinger gehoben und auf den hobeln aus 1948 gezeigt. Vergiss es.
- Micha
- Fleißiger Poster

- Beiträge: 131
- Registriert: Mi Mär 20, 2013 21:03
- Wohnort: Berlin
Re: USB Anschluß
Hi Georg,
ich mag den Kondensator, weil er extrem leicht - und absolut wartungsarm ist.
Außerdem habe ich bis heute nie an einen zusätzlichen Verbraucher gedacht, und Standlicht brauche ich nicht.
Alles was das "Moped braucht" funktioniert tadellos.
ich mag den Kondensator, weil er extrem leicht - und absolut wartungsarm ist.
Außerdem habe ich bis heute nie an einen zusätzlichen Verbraucher gedacht, und Standlicht brauche ich nicht.
Alles was das "Moped braucht" funktioniert tadellos.
Gruß
Micha
- XT500, SR Motor, 25kW eingetragen, Auspuff: ARROW Paris-Dakar, Vergaser VM34, Schwinge KLX 250, Gabel u. Vorderrad XT 600 3TB, Reifen 90/90x21, 130/80x18 auf 2,50" Felge, ALLES TÜV
Micha
- XT500, SR Motor, 25kW eingetragen, Auspuff: ARROW Paris-Dakar, Vergaser VM34, Schwinge KLX 250, Gabel u. Vorderrad XT 600 3TB, Reifen 90/90x21, 130/80x18 auf 2,50" Felge, ALLES TÜV
- Micha
- Fleißiger Poster

- Beiträge: 131
- Registriert: Mi Mär 20, 2013 21:03
- Wohnort: Berlin
Re: USB Anschluß
Hi Georg,
hab mal nachgeschaut.
Ein Panasonic Bleiakku 12V, 1,2Ah wiegt ca. 570g. Der Kondensator ca. 30g. Immerhin ca. 500g Gewichtsersparnis.
Oder hast Du einen anderen Akku?
Meine XT wiegt vollgetank 134kg.
Da läppern sich die eingesparten Gramms zusammen.
hab mal nachgeschaut.
Ein Panasonic Bleiakku 12V, 1,2Ah wiegt ca. 570g. Der Kondensator ca. 30g. Immerhin ca. 500g Gewichtsersparnis.
Oder hast Du einen anderen Akku?
Meine XT wiegt vollgetank 134kg.
Da läppern sich die eingesparten Gramms zusammen.
Gruß
Micha
- XT500, SR Motor, 25kW eingetragen, Auspuff: ARROW Paris-Dakar, Vergaser VM34, Schwinge KLX 250, Gabel u. Vorderrad XT 600 3TB, Reifen 90/90x21, 130/80x18 auf 2,50" Felge, ALLES TÜV
Micha
- XT500, SR Motor, 25kW eingetragen, Auspuff: ARROW Paris-Dakar, Vergaser VM34, Schwinge KLX 250, Gabel u. Vorderrad XT 600 3TB, Reifen 90/90x21, 130/80x18 auf 2,50" Felge, ALLES TÜV
- TT Georg
- Fleißiger Forums-Guru

- Beiträge: 3337
- Registriert: Fr Apr 23, 2004 23:34
- Wohnort: 44289 Dortmund
- Kontaktdaten:
Re: USB Anschluß
ach, der ist doch soo leicht..... na dann.
abspecken mache ich lieber selber an mir bevor ich titan campinggeschirr kaufe...
Georg
abspecken mache ich lieber selber an mir bevor ich titan campinggeschirr kaufe...
Georg
Wenn mir als 18jähriger im Jahr 1988 gesagt hätte, das ich dieses 40 Jahre alte Moped fahren soll um cool zu sein, dann haetten ich wohl ganz brav den Mittelfinger gehoben und auf den hobeln aus 1948 gezeigt. Vergiss es.
- Micha
- Fleißiger Poster

- Beiträge: 131
- Registriert: Mi Mär 20, 2013 21:03
- Wohnort: Berlin
Re: USB Anschluß
Ach das ist doch Quatsch! So'n ollen Kondensator mit Titan zu vergleichen.
Gruß
Micha
- XT500, SR Motor, 25kW eingetragen, Auspuff: ARROW Paris-Dakar, Vergaser VM34, Schwinge KLX 250, Gabel u. Vorderrad XT 600 3TB, Reifen 90/90x21, 130/80x18 auf 2,50" Felge, ALLES TÜV
Micha
- XT500, SR Motor, 25kW eingetragen, Auspuff: ARROW Paris-Dakar, Vergaser VM34, Schwinge KLX 250, Gabel u. Vorderrad XT 600 3TB, Reifen 90/90x21, 130/80x18 auf 2,50" Felge, ALLES TÜV
- mic
- XT500-Online-Berater

- Beiträge: 664
- Registriert: So Feb 02, 2014 5:07
- Wohnort: Mendig
Re: USB Anschluß
Hallo,
ein Akku (externe Stromversorgung) für Navi, Handy,... Ist eine geniale Möglichkeit. Strom für den ganzen Tag und abends ans Netz zum Laden anschließen - fertig. Die Akkuleistung sollte so um die 10.000 ? Milliampere ? betragen und hält dann für ca.4 Ladungen.
Gruß Micha
ein Akku (externe Stromversorgung) für Navi, Handy,... Ist eine geniale Möglichkeit. Strom für den ganzen Tag und abends ans Netz zum Laden anschließen - fertig. Die Akkuleistung sollte so um die 10.000 ? Milliampere ? betragen und hält dann für ca.4 Ladungen.
Gruß Micha
- Micha
- Fleißiger Poster

- Beiträge: 131
- Registriert: Mi Mär 20, 2013 21:03
- Wohnort: Berlin
Re: USB Anschluß
Danke für die Anregung Micha.
Dennoch würde mich interessieren, ob der Anschluß des USB-Adapters direkt an mein Bordnetz (ohne Akku) funktioniert.
Dennoch würde mich interessieren, ob der Anschluß des USB-Adapters direkt an mein Bordnetz (ohne Akku) funktioniert.
Gruß
Micha
- XT500, SR Motor, 25kW eingetragen, Auspuff: ARROW Paris-Dakar, Vergaser VM34, Schwinge KLX 250, Gabel u. Vorderrad XT 600 3TB, Reifen 90/90x21, 130/80x18 auf 2,50" Felge, ALLES TÜV
Micha
- XT500, SR Motor, 25kW eingetragen, Auspuff: ARROW Paris-Dakar, Vergaser VM34, Schwinge KLX 250, Gabel u. Vorderrad XT 600 3TB, Reifen 90/90x21, 130/80x18 auf 2,50" Felge, ALLES TÜV
- motorang
- Fleißiger Forums-Guru

- Beiträge: 4890
- Registriert: Mo Aug 25, 2003 16:45
- Wohnort: Graz, Österreich
- Kontaktdaten:
Re: USB Anschluß
Servus,
Du riskierst Die Elektronik Deines Handys, Punkt.
Ich hab an der XT einen PDA als Offroadnavi dran, da laufen fallweise lustige Streifen durchs Display, deren Geschwindigkeit ich durch Gasgeben steuern kann ... es ist halt nicht mal mit einer 4 Ah Batterie sauberer Gleichstrom im Bordnetz. Wenn Du auf Nummer sicher gehen magst lade das Handy nur bei "Motor aus" von der Bordbatterie. Ich häng mein Galaxy NICHT direkt an.
Gryße!
Andreas, der motorang
Du riskierst Die Elektronik Deines Handys, Punkt.
Ich hab an der XT einen PDA als Offroadnavi dran, da laufen fallweise lustige Streifen durchs Display, deren Geschwindigkeit ich durch Gasgeben steuern kann ... es ist halt nicht mal mit einer 4 Ah Batterie sauberer Gleichstrom im Bordnetz. Wenn Du auf Nummer sicher gehen magst lade das Handy nur bei "Motor aus" von der Bordbatterie. Ich häng mein Galaxy NICHT direkt an.
Gryße!
Andreas, der motorang
Die häufigsten Ursachen für Vergaserprobleme finden sich im Zündungsbereich * Bucheli-Projekt
- Micha
- Fleißiger Poster

- Beiträge: 131
- Registriert: Mi Mär 20, 2013 21:03
- Wohnort: Berlin
Re: USB Anschluß
Klare Worte! Danke Andreas.
Gruß
Micha
- XT500, SR Motor, 25kW eingetragen, Auspuff: ARROW Paris-Dakar, Vergaser VM34, Schwinge KLX 250, Gabel u. Vorderrad XT 600 3TB, Reifen 90/90x21, 130/80x18 auf 2,50" Felge, ALLES TÜV
Micha
- XT500, SR Motor, 25kW eingetragen, Auspuff: ARROW Paris-Dakar, Vergaser VM34, Schwinge KLX 250, Gabel u. Vorderrad XT 600 3TB, Reifen 90/90x21, 130/80x18 auf 2,50" Felge, ALLES TÜV
- Torsten
- XT-Forums-Guru

- Beiträge: 1339
- Registriert: Do Mär 18, 2004 9:50
- Wohnort: Berlin
Re: USB Anschluß
Hallo Micha,
achte bei den mobilen Geraeten darauf wieviel mA diese zum laden benoetigen, es ist ein Unterschied ob usb2 oder usb3.1.
Teilweise halten sich die Hersteller mobile Geraetschaften auch nicht an die Standards(z.B. Sam...), und es kommt dann zu lustigen Effekten.
Have A Nice Day
Torsten
achte bei den mobilen Geraeten darauf wieviel mA diese zum laden benoetigen, es ist ein Unterschied ob usb2 oder usb3.1.
Teilweise halten sich die Hersteller mobile Geraetschaften auch nicht an die Standards(z.B. Sam...), und es kommt dann zu lustigen Effekten.
Have A Nice Day
Torsten
- motorang
- Fleißiger Forums-Guru

- Beiträge: 4890
- Registriert: Mo Aug 25, 2003 16:45
- Wohnort: Graz, Österreich
- Kontaktdaten:
Re: USB Anschluß
Servus nochmal,
mein Posting bezog sich auf die XT Original Lichtmaschine und einen einfachen 12V-Regler a la Wunderlich.
Bei SR500 Lichtmaschine und Regler hab ich weniger Bedenken, der Regler arbeitet da etwas sauberer, und ich hatte auch schon an meiner SR500 ein normales Navi (Medion) problemlos in Betrieb, ebenso an der Tenere mit ähnlicher Regelei auch das Smartphone, ein GARMIN und den RPDA ohne Bildstörungen. Ein noch etwas modernerer Regler wäre auch an der SR-Lima natürlich besser.
Ich hab an beiden Moppeds mobile Zigarettenanzünderdosen-Adapter von HAMA und BELKIN und bislang keine Probleme damit. Ich würde davon ausgehen dass der Daytona Traveller-Kit eher noch etwas sicherer ist, weil auf die deutlich simplere Motorradregelei abgestimmt, als die Autoadapter.
Ob er mit Kondensatorbetrieb kann? Daytona fragen! Oder jemand mit einem Oszi misst Dir den Schmutz aus dem Strom raus?
Fire away, at your own risk
Gryße!
Andreas, der motorang,
mein Posting bezog sich auf die XT Original Lichtmaschine und einen einfachen 12V-Regler a la Wunderlich.
Bei SR500 Lichtmaschine und Regler hab ich weniger Bedenken, der Regler arbeitet da etwas sauberer, und ich hatte auch schon an meiner SR500 ein normales Navi (Medion) problemlos in Betrieb, ebenso an der Tenere mit ähnlicher Regelei auch das Smartphone, ein GARMIN und den RPDA ohne Bildstörungen. Ein noch etwas modernerer Regler wäre auch an der SR-Lima natürlich besser.
Ich hab an beiden Moppeds mobile Zigarettenanzünderdosen-Adapter von HAMA und BELKIN und bislang keine Probleme damit. Ich würde davon ausgehen dass der Daytona Traveller-Kit eher noch etwas sicherer ist, weil auf die deutlich simplere Motorradregelei abgestimmt, als die Autoadapter.
Ob er mit Kondensatorbetrieb kann? Daytona fragen! Oder jemand mit einem Oszi misst Dir den Schmutz aus dem Strom raus?
Fire away, at your own risk
Gryße!
Andreas, der motorang,
Die häufigsten Ursachen für Vergaserprobleme finden sich im Zündungsbereich * Bucheli-Projekt
- Bernhard
- XT500-Online-Berater

- Beiträge: 764
- Registriert: So Nov 16, 2003 16:29
- Wohnort: Syke
Re: USB Anschluß
Moin,
ich zwar keine Ahnung aber bei dem Gedanken, dass deine Birnen ja auch nicht ständig durchbrennen dürften die Spannungsschwankungen sich ja ihm Rahmen halten, oder?
Gruß Bernhard
ich zwar keine Ahnung aber bei dem Gedanken, dass deine Birnen ja auch nicht ständig durchbrennen dürften die Spannungsschwankungen sich ja ihm Rahmen halten, oder?
Gruß Bernhard
- motorang
- Fleißiger Forums-Guru

- Beiträge: 4890
- Registriert: Mo Aug 25, 2003 16:45
- Wohnort: Graz, Österreich
- Kontaktdaten:
Re: USB Anschluß
Servus, leider ist das kein Indiz.
Glühbirnen sind vergleichsweise träge, die halten viel aus. Diese Spannungsspitzen dauern nur sehr kurz, aber Elektronik ist ja schnell
Andersrum stimmt es aber: wenn ständig Birnen durchbrennen, bitte KEINE elektronischen Geräte dran betreiben.
Gryße!
Andreas, der motorang
Glühbirnen sind vergleichsweise träge, die halten viel aus. Diese Spannungsspitzen dauern nur sehr kurz, aber Elektronik ist ja schnell
Andersrum stimmt es aber: wenn ständig Birnen durchbrennen, bitte KEINE elektronischen Geräte dran betreiben.
Gryße!
Andreas, der motorang
Die häufigsten Ursachen für Vergaserprobleme finden sich im Zündungsbereich * Bucheli-Projekt
- TT Georg
- Fleißiger Forums-Guru

- Beiträge: 3337
- Registriert: Fr Apr 23, 2004 23:34
- Wohnort: 44289 Dortmund
- Kontaktdaten:
Re: USB Anschluß
letzten samstag funzte mein xperia L hervorragend mit XT500 ori lima, Batterie und röbiregler...
georg
georg
Wenn mir als 18jähriger im Jahr 1988 gesagt hätte, das ich dieses 40 Jahre alte Moped fahren soll um cool zu sein, dann haetten ich wohl ganz brav den Mittelfinger gehoben und auf den hobeln aus 1948 gezeigt. Vergiss es.
Wer ist online?
Mitglieder in diesem Forum: 0 Mitglieder und 4 Gäste