Aufnahme für Anschlagblech z.T. abgebrochen
-
visualjunkie
- Gelegenheitsposter

- Beiträge: 47
- Registriert: So Mai 15, 2016 21:35
Re: Aufnahme für Anschlagblech z.T. abgebrochen
Einer der Gründe: ... weil das Schrauben an der Karre total Bock macht. 
- motorang
- Fleißiger Forums-Guru

- Beiträge: 4890
- Registriert: Mo Aug 25, 2003 16:45
- Wohnort: Graz, Österreich
- Kontaktdaten:
Re: Aufnahme für Anschlagblech z.T. abgebrochen
eine noch so wohlwollend und gut ausgeführte reparatur ist oft im ergebnis trotzdem schlechter als der vorige originalzustand......
warum soll ich jetze was reparieren was im originalzustand ja offensichtlich schon oft genug verreckt, wenn es überhaupt nicht gebraucht wird???
um einen kapitalen gehäuseschaden zu provozieren?????
weg damit, zumachen, fahren, nie wieder ärger mit dem kackding.....
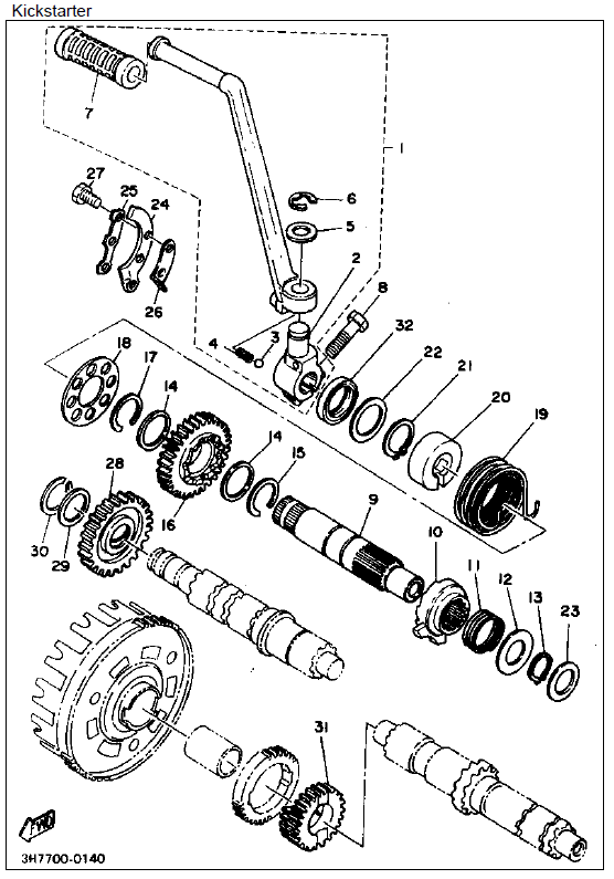
Hier geht es darum dass das Motorgekäuse krümelt weil der Kickstarter drauf einschlägt wenn er wieder hochkommt. Das wird durch weglassen des Anschlags nicht zu verhindern sein ...
Du hast hingegen das darüber liegende abgebrochene Ausleitblech nicht ersetzt. Das ist was anderes.
Hier geht es um das darunterliegende Winkelblech des Anschlags.
Wenn Du übrigens das Ausleitblech komplett ausbaust, magst auch nicht mehr mit dem Mopped rumfahren ... es ist dann recht laut und schnell kaputt.
Gryße!
Andreas, der motorang
Die häufigsten Ursachen für Vergaserprobleme finden sich im Zündungsbereich * Bucheli-Projekt
- derheitzer
- XT500-Online-Berater

- Beiträge: 501
- Registriert: Di Sep 02, 2003 11:17
- Wohnort: dahemm
Re: Aufnahme für Anschlagblech z.T. abgebrochen
oh, da hab ich das dann falsch gemacht, hab alles rausgeworfen und aber nix kaputt gemacht dabei......
immer kurzz vorm schturzz unn dass mit schbass
- motorang
- Fleißiger Forums-Guru

- Beiträge: 4890
- Registriert: Mo Aug 25, 2003 16:45
- Wohnort: Graz, Österreich
- Kontaktdaten:
Re: Aufnahme für Anschlagblech z.T. abgebrochen
Dann würde Dein Kickstarthebel in seiner oberen Position dauernd ratschen ... oder, wenn Du noch mehr rauswirfst damit es nicht ratscht, würd er nicht mehr kicken. Ist wohl schon etwas her ... ?
Gryße!
Andreas, der motorang
Gryße!
Andreas, der motorang
Die häufigsten Ursachen für Vergaserprobleme finden sich im Zündungsbereich * Bucheli-Projekt
- TT Georg
- Fleißiger Forums-Guru

- Beiträge: 3379
- Registriert: Fr Apr 23, 2004 23:34
- Wohnort: 44289 Dortmund
- Kontaktdaten:
Re: Aufnahme für Anschlagblech z.T. abgebrochen
Scheint aber beim Heitzer zu funzen.... oder er hat nen Prototyp....
Wenn mir als 18jähriger im Jahr 1988 gesagt hätte, das ich dieses 40 Jahre alte Moped fahren soll um cool zu sein, dann haetten ich wohl ganz brav den Mittelfinger gehoben und auf den hobeln aus 1948 gezeigt. Vergiss es.
- motorang
- Fleißiger Forums-Guru

- Beiträge: 4890
- Registriert: Mo Aug 25, 2003 16:45
- Wohnort: Graz, Österreich
- Kontaktdaten:
Re: Aufnahme für Anschlagblech z.T. abgebrochen
Nochmal,
die zwei Enden vom Ausklinkblech klinken den Kicker aus dem Freilauf (aus der "Ratsche").
Ein Ende macht das in der oberen Position, wo darunter ein separates Blech als Anschlag sitzt. DAS ist hier in diesem Fred weggebrochen samt dem Motorblock unterhalb. Bei längerer Verwendung spaltet der Kicker beim hochkommen dieses Blech nämlich:

Ein Ende macht das in der unteren Position, das bricht manchmal und dann klinkt der Kicker unten (am Ende des Weges) nicht mehr aus, und der Motor kann zurückschlagen. Viele Motoren haben dieses Ende per se nicht (z.B XT600) und man kann ohne es leben.
Bei der XT/SR heisst das: das gebrochene Blech einfach nicht ersetzen, sondern nur das ABGEBROCHENE Teil entfernen bevor es Schaden anrichten kann.
Das andere Ende braucht der Motor aber trotzdem, deswegen würd ich hier nicht von "Ausbau" reden.
Sonst hört es nämlich bei laufendem Motor nicht zu ratschen auf. Erst wenn der Mechanismus verschlissen ist ...
Und den Anschlag braucht der Kicker auch, sonst, siehe erster Beitrag, und das Bild oberhalb.
Alles was hier am Bild LINKS ist betrifft den Kicker im Ruhezustand, oben, und wird zwingend benötigt wenn man nicht den gesamten Kickstarter ausbauen mag - oberer Anschlag und oberes Ende vom Ausklinkblech. Das rechte, weggebrochene Stück ist verzichtbar, weil es im Normalfall (Motor springt an) nicht gebraucht wird.

Zum Nachlesen, alles, da:
http://www.motorang.com/bucheli-projekt ... .htm#angst
Gryße!
Andreas, der motorang
die zwei Enden vom Ausklinkblech klinken den Kicker aus dem Freilauf (aus der "Ratsche").
Ein Ende macht das in der oberen Position, wo darunter ein separates Blech als Anschlag sitzt. DAS ist hier in diesem Fred weggebrochen samt dem Motorblock unterhalb. Bei längerer Verwendung spaltet der Kicker beim hochkommen dieses Blech nämlich:

Ein Ende macht das in der unteren Position, das bricht manchmal und dann klinkt der Kicker unten (am Ende des Weges) nicht mehr aus, und der Motor kann zurückschlagen. Viele Motoren haben dieses Ende per se nicht (z.B XT600) und man kann ohne es leben.
Bei der XT/SR heisst das: das gebrochene Blech einfach nicht ersetzen, sondern nur das ABGEBROCHENE Teil entfernen bevor es Schaden anrichten kann.
Das andere Ende braucht der Motor aber trotzdem, deswegen würd ich hier nicht von "Ausbau" reden.
Sonst hört es nämlich bei laufendem Motor nicht zu ratschen auf. Erst wenn der Mechanismus verschlissen ist ...
Und den Anschlag braucht der Kicker auch, sonst, siehe erster Beitrag, und das Bild oberhalb.
Alles was hier am Bild LINKS ist betrifft den Kicker im Ruhezustand, oben, und wird zwingend benötigt wenn man nicht den gesamten Kickstarter ausbauen mag - oberer Anschlag und oberes Ende vom Ausklinkblech. Das rechte, weggebrochene Stück ist verzichtbar, weil es im Normalfall (Motor springt an) nicht gebraucht wird.

Zum Nachlesen, alles, da:
http://www.motorang.com/bucheli-projekt ... .htm#angst
Gryße!
Andreas, der motorang
Die häufigsten Ursachen für Vergaserprobleme finden sich im Zündungsbereich * Bucheli-Projekt
- Dieter1969
- Fleißiger Poster

- Beiträge: 435
- Registriert: Mi Feb 22, 2012 15:09
- Wohnort: Freistadt OÖ
Re: Aufnahme für Anschlagblech z.T. abgebrochen
Servus,
Andreas, ... Respekt, bin immer wieder begeistert von deiner Fachkompetenz !
Hab auch ein paar Mopeds wo die Klinke bereits weggebrochen ist, Bruchstück über die Ölwanne entsorgt und fertig,
zum Glück noch kein Loch in den Gehäusen im Vergleich zu einigen Kollegen.
ohne dem Kickerblech kann ich gut leben...bzw geht mir auch nicht ab die Rasslerei.
Eher aus Gründen der Bequemlichkeit hab ich des Rest immer drinnen gelassen, müsste ja der Deckel runter oder die Kickerwelle raus.
Auf dieses Anschlagblech unter der Klinke hab ich noch gar nicht geachtet,
wenn man aber bedenkt wie weich der Aluguß ist... auf die Japaner kann man sich verlassen, die haben an alles gedacht.
wünsch euch Allen einen guten Start in die Saison !
XT5oo Gruß aus OÖ
Dieter
Andreas, ... Respekt, bin immer wieder begeistert von deiner Fachkompetenz !
Hab auch ein paar Mopeds wo die Klinke bereits weggebrochen ist, Bruchstück über die Ölwanne entsorgt und fertig,
zum Glück noch kein Loch in den Gehäusen im Vergleich zu einigen Kollegen.
ohne dem Kickerblech kann ich gut leben...bzw geht mir auch nicht ab die Rasslerei.
Eher aus Gründen der Bequemlichkeit hab ich des Rest immer drinnen gelassen, müsste ja der Deckel runter oder die Kickerwelle raus.
Auf dieses Anschlagblech unter der Klinke hab ich noch gar nicht geachtet,
wenn man aber bedenkt wie weich der Aluguß ist... auf die Japaner kann man sich verlassen, die haben an alles gedacht.
wünsch euch Allen einen guten Start in die Saison !
XT5oo Gruß aus OÖ
Dieter
- Frank M
- 5000+ Club

- Beiträge: 7180
- Registriert: So Jun 01, 2003 1:11
- Wohnort: Dettum
Re: Aufnahme für Anschlagblech z.T. abgebrochen
und um die Ursache für das Spalten des Anschlagblechs (26) künftig abzustellen ist es sinnvoll, den Übeltäter in Form des scharfkantigen Gußgrats an den Ohren von Teil 10 zu glätten.
-
visualjunkie
- Gelegenheitsposter

- Beiträge: 47
- Registriert: So Mai 15, 2016 21:35
Re: Aufnahme für Anschlagblech z.T. abgebrochen
Der Vollständigkeit halber könnt Ihr Euch hier https://photos.app.goo.gl/4KZRy7qXBg2KJ3v4A die Fotos vom durchtrennten Anschlagblech anschauen. Hier sieht man, wie ein "Anschlag-Ohr" (von Teil 10 auf dem o.g. Bild) mit der Zeit das Blech einfach durchtrennt hat. Ab dann ging es rein ins Alu. Das ist wohl gerade auch dann unglücklich, wenn das Biest zurücktritt und der Kicker mit Schwung in den Alublock gehauen wird 
Schönes Wochenende und Danke an Euch für die Reparaturhinweise!
Schönes Wochenende und Danke an Euch für die Reparaturhinweise!
-
visualjunkie
- Gelegenheitsposter

- Beiträge: 47
- Registriert: So Mai 15, 2016 21:35
Re: Aufnahme für Anschlagblech z.T. abgebrochen
Hier ein kurzes Update: Ich hab eine Werkstatt gefunden, die den abgebrochenen Alublock ausbessern kann.
Deren Plan ist, die abgebrochene Kante so fräsen, dass möglichst wenig Material abgetragen wird. Dann wird ein Alustück so angefertigt, dass es genau auf die Ecke passt, inkl. Loch für die Fixierung.
Wie auch von Euch vorgeschlagen, ist deren Idee, das Anschlagblech stabiler zu gestallten, so dass es nicht mehr so "schnell" kaputt geht (das wird ja sicher einige Jahre gehalten haben).
Allerdings bin ich mir nicht sicher, wie sehr das Anschlagblech in der Höhe verstärkt werden kann, ohne dass die Funktionsweise des Ausklinkblechs verändert wird. Dieses löst ja den Freilauf aus.
Ohne jetzt alles ausgemessen zu haben, würde ich jetzt aber die gesamte Höhe (Block + Anschlagblech) nicht verändern.
Falls Ihr hier noch einen hilfreichen Kommentar habt, gerne her damit.
Danke nochmals!
Deren Plan ist, die abgebrochene Kante so fräsen, dass möglichst wenig Material abgetragen wird. Dann wird ein Alustück so angefertigt, dass es genau auf die Ecke passt, inkl. Loch für die Fixierung.
Wie auch von Euch vorgeschlagen, ist deren Idee, das Anschlagblech stabiler zu gestallten, so dass es nicht mehr so "schnell" kaputt geht (das wird ja sicher einige Jahre gehalten haben).
Allerdings bin ich mir nicht sicher, wie sehr das Anschlagblech in der Höhe verstärkt werden kann, ohne dass die Funktionsweise des Ausklinkblechs verändert wird. Dieses löst ja den Freilauf aus.
Ohne jetzt alles ausgemessen zu haben, würde ich jetzt aber die gesamte Höhe (Block + Anschlagblech) nicht verändern.
Falls Ihr hier noch einen hilfreichen Kommentar habt, gerne her damit.
Danke nochmals!
- Hiha
- 5000+ Club

- Beiträge: 6506
- Registriert: Mo Jun 02, 2003 6:23
- Wohnort: Neubiberg b. München
Re: Aufnahme für Anschlagblech z.T. abgebrochen
Das Alustück aus Stahl oder hochfestem Alu machen?
Gruß
Hans
Gruß
Hans
- Frank M
- 5000+ Club

- Beiträge: 7180
- Registriert: So Jun 01, 2003 1:11
- Wohnort: Dettum
Re: Aufnahme für Anschlagblech z.T. abgebrochen
wenn Teil 10 vom Gußgrat befreit ist wird die Auflagefläche auf dem Anschlagblech deutlich größer. Die Erhöhung der Materialstärke für dein neues Anschlagblech halte ich für unnötig, da die Ursache für das Durchtrennen damit beseitigt ist.
-
visualjunkie
- Gelegenheitsposter

- Beiträge: 47
- Registriert: So Mai 15, 2016 21:35
Re: Aufnahme für Anschlagblech z.T. abgebrochen
@Hans: Gute Frage. Ich werde mal nachfragen, aus welchem Material das Alustück werden soll. Ich würde es nicht zu hart machen, damit der restliche, bestehende Alublock nicht weiter in Mitleidenschaft gezogen wird. Im Zweifelsfall sollte ehr das Alustückchen als Sollbruchstelle dran glauben, falls das Anschlagblech wieder durchtrennt wird.
@Frank: Ich schaue mir Teil 10 mal an. Auf den ersten Blick klingt es plausibel, die Auflagefläche zu vergrößern, damit die Kraftübertragung auf einer größeren Wirkungsfläche stattfindet. An wie viel Abtragung denkst Du da? Nur minimal den Grad oder schon etwas mehr?
@Frank: Ich schaue mir Teil 10 mal an. Auf den ersten Blick klingt es plausibel, die Auflagefläche zu vergrößern, damit die Kraftübertragung auf einer größeren Wirkungsfläche stattfindet. An wie viel Abtragung denkst Du da? Nur minimal den Grad oder schon etwas mehr?
- Frank M
- 5000+ Club

- Beiträge: 7180
- Registriert: So Jun 01, 2003 1:11
- Wohnort: Dettum
Re: Aufnahme für Anschlagblech z.T. abgebrochen
guck dir das Teil und seine Funktion im eingebauten Zustand mal an. An meinen hab ich den dünnen Grat großzügig mit der Flex glattgeschliffen, bis eine schöne breite Fläche entstanden ist die sauber am Anschlagblech anliegt.
- motorang
- Fleißiger Forums-Guru

- Beiträge: 4890
- Registriert: Mo Aug 25, 2003 16:45
- Wohnort: Graz, Österreich
- Kontaktdaten:
Re: Aufnahme für Anschlagblech z.T. abgebrochen
Servus
ich hab neulich ein gebrochenes Ausklinkblech zusammengeschweißt und mit einem aufgelöteten ca. 1,2 mm Edelstahlblech verstärkt. Das Anschlagblech habe ich nur auf der Verschleißseite verstärkt. Das alles ist weder beim Zusammenschrauben noch beim Kicken bisher auffällig geworden.
Auch den Grat habe ich weggefeilt. Vielleicht helfen Dir die Bilder etwas:
http://www.motorang.com/bucheli-projekt ... repversuch


Gryße!
Andreas, der motorang
ich hab neulich ein gebrochenes Ausklinkblech zusammengeschweißt und mit einem aufgelöteten ca. 1,2 mm Edelstahlblech verstärkt. Das Anschlagblech habe ich nur auf der Verschleißseite verstärkt. Das alles ist weder beim Zusammenschrauben noch beim Kicken bisher auffällig geworden.
Auch den Grat habe ich weggefeilt. Vielleicht helfen Dir die Bilder etwas:
http://www.motorang.com/bucheli-projekt ... repversuch


Gryße!
Andreas, der motorang
Die häufigsten Ursachen für Vergaserprobleme finden sich im Zündungsbereich * Bucheli-Projekt
Wer ist online?
Mitglieder in diesem Forum: Bing [Bot], Semrush [Bot] und 1 Gast