Hallo zusammen,
ich habe bei der Revision von Zylinder / Kolben und der gleichen mehr, leider die Steuerketten-Gleitschiene links
nicht getauscht.
Lässt sich diese Schiene auch tauschen ohne den Zylinderkopf und Zylinder runter zu machen?
Oder bekommt man die Schiene nur nach Oben raus, dann würde ich noch warten bis ich noch mal an den Zylinderkopf oder der Gleichen ran muss.
Bei Fahrten durch Rechtskurven höre ich so ein leichtes "Rasseln" ich denke das es von der Steuerkette kommt,
die Schiene habe ich als ziemlich glatt in Erinnerung. Habe leider keine Bild von einer neuen Schiene um einen Vergleich zu einer neuen Schiene zu machen.
Gruß
Frankyjr
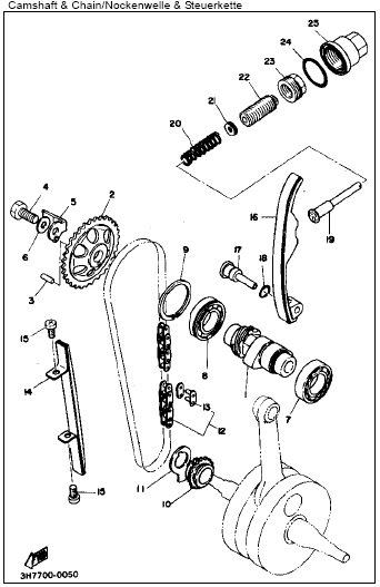
Habe zur Orientierung eine Bilddatei angehängt, ich meine Teil 16
Steuerketten-Gleitschiene Spannerseite
- Frankyjr
- Gelegenheitsposter

- Beiträge: 62
- Registriert: Do Mär 25, 2010 23:15
- Wohnort: 53577 Neustadt / Wied
- Frank M
- 5000+ Club

- Beiträge: 7140
- Registriert: So Jun 01, 2003 1:11
- Wohnort: Dettum
Re: Steuerketten-Gleitschiene Spannerseite
die feste Schiene bekommst du nur bei abgebautem Zylinder raus, weil sie mit den beiden unter den Dichtflächen liegenden Schrauben (15) im Zylinder gesichert ist.
Normalerweise gehört diese Schiene nicht zu den gängigen Verschleißteilen, deshalb solltest du vorher vielleicht deine Aufmerksamkeit auf den leichtgängigen und richtig eingestellten Steuerkettenspanner richten.
Normalerweise gehört diese Schiene nicht zu den gängigen Verschleißteilen, deshalb solltest du vorher vielleicht deine Aufmerksamkeit auf den leichtgängigen und richtig eingestellten Steuerkettenspanner richten.
- Frankyjr
- Gelegenheitsposter

- Beiträge: 62
- Registriert: Do Mär 25, 2010 23:15
- Wohnort: 53577 Neustadt / Wied
Re: Steuerketten-Gleitschiene Spannerseite
Hallo Frank,
sorry ich meine die bewegliche Schiene Teil Nr. 16 ! die vom Kettenspanner bewegt wird, die andere Schiene sah noch sehr gut aus und hatte ein vernünftiges "Profil" die andere war in der Mitte schon recht blank.
Gruß
Frankyjr
sorry ich meine die bewegliche Schiene Teil Nr. 16 ! die vom Kettenspanner bewegt wird, die andere Schiene sah noch sehr gut aus und hatte ein vernünftiges "Profil" die andere war in der Mitte schon recht blank.
Gruß
Frankyjr
- rei97
- Fleißiger Forums-Guru

- Beiträge: 4085
- Registriert: So Jul 13, 2003 20:14
- Wohnort: Denkendorf
Re: Steuerketten-Gleitschiene Spannerseite
Also:
Der Verschleiss tritt meist an der festen Schiene vorne auf. Die sollte man wenn der Fingernagel in das Gummi nicht mehr eindringt tauschen. Der Preis tut weh, das Rausmachen der Kreuzschlitzschrauben auch, Inbus ist der Ersatz.
Die bewegliche Schine ist meist IO und muss nur extrem selten getauscht werden.
Mach ein Foto und ich möchte wetten, alle sagen, dass das normal ist.
Regards
Rei97
Der Verschleiss tritt meist an der festen Schiene vorne auf. Die sollte man wenn der Fingernagel in das Gummi nicht mehr eindringt tauschen. Der Preis tut weh, das Rausmachen der Kreuzschlitzschrauben auch, Inbus ist der Ersatz.
Die bewegliche Schine ist meist IO und muss nur extrem selten getauscht werden.
Mach ein Foto und ich möchte wetten, alle sagen, dass das normal ist.
Regards
Rei97
- Frankyjr
- Gelegenheitsposter

- Beiträge: 62
- Registriert: Do Mär 25, 2010 23:15
- Wohnort: 53577 Neustadt / Wied
Re: Steuerketten-Gleitschiene Spannerseite
Guten Abend,
hat die Schiene nicht so ein Profil ?? siehe Bild, auf der vorderen Schiene ist das Profil noch sehr gut ausgeprägt meine ich und auf der anderen hinteren Schiene bin ich der Meinung ist das Profil nur noch unten und oben an der Schiene erhalten.
Hat jemand eine fast neu hintere Schiene rumliegen und könnte ein Foto einstellen.
Gruß
Frankyjr
hat die Schiene nicht so ein Profil ?? siehe Bild, auf der vorderen Schiene ist das Profil noch sehr gut ausgeprägt meine ich und auf der anderen hinteren Schiene bin ich der Meinung ist das Profil nur noch unten und oben an der Schiene erhalten.
Hat jemand eine fast neu hintere Schiene rumliegen und könnte ein Foto einstellen.
Gruß
Frankyjr
- Dateianhänge
-
- Schienen Profil
- Schienenprofil.jpg (3.11 KiB) 3641 mal betrachtet
- rei97
- Fleißiger Forums-Guru

- Beiträge: 4085
- Registriert: So Jul 13, 2003 20:14
- Wohnort: Denkendorf
Re: Steuerketten-Gleitschiene Spannerseite
Also:
nein, wie erwähnt, ist die hintere, bewegliche Schiene glatt. Du solltest nachsehen, ob 1. die gummierte Scheibe (Teil 21) vorhanden ist und der Pümpel in der Mitte frei beweglich ist und nicht klemmt und ob 2. die Kettenspannung korrekt ist. Das wird bei warmem , laufenden Motor gemacht. Die Kontermutter öffnen, wenn der Pümpel in der Mitte sichtbare Bewegungen macht. Die Einstellschraube soweit reindrehen, bis nur noch minimales Pümpeln zu spüren ist. (wenige Zehntelmm) Dabei sollte sich auch die Geräuschkulisse ändern.
Regards
Rei97
nein, wie erwähnt, ist die hintere, bewegliche Schiene glatt. Du solltest nachsehen, ob 1. die gummierte Scheibe (Teil 21) vorhanden ist und der Pümpel in der Mitte frei beweglich ist und nicht klemmt und ob 2. die Kettenspannung korrekt ist. Das wird bei warmem , laufenden Motor gemacht. Die Kontermutter öffnen, wenn der Pümpel in der Mitte sichtbare Bewegungen macht. Die Einstellschraube soweit reindrehen, bis nur noch minimales Pümpeln zu spüren ist. (wenige Zehntelmm) Dabei sollte sich auch die Geräuschkulisse ändern.
Regards
Rei97
-
Luxt250
- Gelegenheitsposter

- Beiträge: 65
- Registriert: Mo Mär 18, 2013 21:56
Re: Steuerketten-Gleitschiene Spannerseite
Klinke mich hier mal mit ein.
Meine XT hat etwas mehr Öl als üblich gebraucht, zudem soll der ölige Kock Indicator ersetzt werden.
Habe den Kopf komplett herunter, kann bzw. wann sollte man die bewegliche Gleitschiene erneuern? Habe ein Bild angehängt.
Werde den Zylinder vermessen lassen, sieht aber alles noch super aus, also sollten neue Kolbenringe reichen. Was sollte ich wenn schon offen in dem Zuge noch mit kontrollieren, mit tauschen? Steuerkette?
Danke für die Antwort, wollte dafür nicht extra ein neues Thema anfangen.
Meine XT hat etwas mehr Öl als üblich gebraucht, zudem soll der ölige Kock Indicator ersetzt werden.
Habe den Kopf komplett herunter, kann bzw. wann sollte man die bewegliche Gleitschiene erneuern? Habe ein Bild angehängt.
Werde den Zylinder vermessen lassen, sieht aber alles noch super aus, also sollten neue Kolbenringe reichen. Was sollte ich wenn schon offen in dem Zuge noch mit kontrollieren, mit tauschen? Steuerkette?
Danke für die Antwort, wollte dafür nicht extra ein neues Thema anfangen.
- Merry
- XT-Forums-Guru

- Beiträge: 1833
- Registriert: Do Aug 17, 2006 12:02
- Wohnort: Mittelfranken
Re: Steuerketten-Gleitschiene Spannerseite
Moin.
Ich würde die Schiene drin lassen und neue Ventilschaftdichtungen verbauen. Spiel der Ventile in den Führungen prüfen. Wie weit war denn der Spannmechanismus der Steuerkette schon drin? Wenn auf Anschlag und der Pömpel deutlich pömpelt, kann man die auch wexeln.
Wenn Du neue Ringe verbaust, lass den Zylinder mal durchhonen. Es geht nix über nen anständigen, frischen Kreuzschliff. Aber lass erst vermessen, bevor Du Ringe kaufst.
Gruß
Ich würde die Schiene drin lassen und neue Ventilschaftdichtungen verbauen. Spiel der Ventile in den Führungen prüfen. Wie weit war denn der Spannmechanismus der Steuerkette schon drin? Wenn auf Anschlag und der Pömpel deutlich pömpelt, kann man die auch wexeln.
Wenn Du neue Ringe verbaust, lass den Zylinder mal durchhonen. Es geht nix über nen anständigen, frischen Kreuzschliff. Aber lass erst vermessen, bevor Du Ringe kaufst.
Gruß
Gruß, Merry
Kann Spuren von Senf enthalten
Kann Spuren von Senf enthalten
-
Luxt250
- Gelegenheitsposter

- Beiträge: 65
- Registriert: Mo Mär 18, 2013 21:56
Re: Steuerketten-Gleitschiene Spannerseite
Das ging ja mal wieder flott. Danke
Lese mich im Bucheli gleich nochmal etwas ein.
Spannmechanismus hatte glaube ich noch mehr als 1cm.
Die XT ist auch erst 26000km gelaufen.
Nockenwelle... Sieht alles noch "unbenutzt" aus.
Habe auf der Arbeit die Möglichkeit den Zylinder zu messen. Werde den Durchmesser an 3 Stellen messen. Welche Toleranz ist erlaubt?
Lese mich im Bucheli gleich nochmal etwas ein.
Spannmechanismus hatte glaube ich noch mehr als 1cm.
Die XT ist auch erst 26000km gelaufen.
Nockenwelle... Sieht alles noch "unbenutzt" aus.
Habe auf der Arbeit die Möglichkeit den Zylinder zu messen. Werde den Durchmesser an 3 Stellen messen. Welche Toleranz ist erlaubt?
- motorang
- Fleißiger Forums-Guru

- Beiträge: 4890
- Registriert: Mo Aug 25, 2003 16:45
- Wohnort: Graz, Österreich
- Kontaktdaten:
Re: Steuerketten-Gleitschiene Spannerseite
Servus, da ist schon ein wenig Erfahrung vorteilhaft bei der Messerei.
Das Verschleißmaß steht im Bucheli für das Original-Setup drin. 0,15 mm Spiel im Zylinder wenn ich es richtig weiß.
Mit echten 26.000 km ist bei normalem Betrieb noch lange Ruhe, steuerkettentechnisch. Die macht das Dreifache.
Gryße!
Andreas, der motorang
Das Verschleißmaß steht im Bucheli für das Original-Setup drin. 0,15 mm Spiel im Zylinder wenn ich es richtig weiß.
Mit echten 26.000 km ist bei normalem Betrieb noch lange Ruhe, steuerkettentechnisch. Die macht das Dreifache.
Gryße!
Andreas, der motorang
Die häufigsten Ursachen für Vergaserprobleme finden sich im Zündungsbereich * Bucheli-Projekt
-
Luxt250
- Gelegenheitsposter

- Beiträge: 65
- Registriert: Mo Mär 18, 2013 21:56
Re: Steuerketten-Gleitschiene Spannerseite
Lass es im Feinmessraum messen, denke das sollte dann sehr genau werden.
Sollte er dann gehohnt werden misst die Firma beides bestimmt auch nochmal nach.
Sollte er dann gehohnt werden misst die Firma beides bestimmt auch nochmal nach.
- rei97
- Fleißiger Forums-Guru

- Beiträge: 4085
- Registriert: So Jul 13, 2003 20:14
- Wohnort: Denkendorf
Re: Steuerketten-Gleitschiene Spannerseite
Also:
Bei mehr als 0,1mm Laufspiel Geld für honen und neue Ringe auszugeben und die Bastelei on top , würde sich nur rechnen, wenn man vorhat das Moppet zu verhökern oder altersbedingt nur noch 100km/A zu fahren. Der Zustand ist ziemlich sicher erreicht, wenn sich der Kolben im polierten Zylinder spiegelt. Der Kolben selbst muss dabei noch nicht schrottreif sein, wenn die Ringnute nicht ausgeschlagen sind. In einem verschlissenen 87er könnte ein 87,35er Kolben mit neuen Ringen durchaus ein 2. Leben haben. Sowas habe ich immer mal wieder, dass Zylinder mit Korrosionsringen einen Kolbentausch schon nach 10000km brauchen. Das verbilligt eine Zylinderrenovierung um ca. 100€.
Wer neue Kolbenkits verbaut, sollte auch rechtzeitig über neue Ventile und Sitzfräsen nachdenken.
Nichts ist blöder als ein abgerissenes Ventil in so einem Fall. Das ist dann einer Totalverschrottung des Motors gleich.
Die Schiene im Zylinder wechsle ich fast immer. Leider ist Kedo dzt out of parts.
Eine 30 jährige Schiene sieht so aus:

Geklebte Ölpumpenschrauben sind auch mit im Bild
Regards
Rei97
Bei mehr als 0,1mm Laufspiel Geld für honen und neue Ringe auszugeben und die Bastelei on top , würde sich nur rechnen, wenn man vorhat das Moppet zu verhökern oder altersbedingt nur noch 100km/A zu fahren. Der Zustand ist ziemlich sicher erreicht, wenn sich der Kolben im polierten Zylinder spiegelt. Der Kolben selbst muss dabei noch nicht schrottreif sein, wenn die Ringnute nicht ausgeschlagen sind. In einem verschlissenen 87er könnte ein 87,35er Kolben mit neuen Ringen durchaus ein 2. Leben haben. Sowas habe ich immer mal wieder, dass Zylinder mit Korrosionsringen einen Kolbentausch schon nach 10000km brauchen. Das verbilligt eine Zylinderrenovierung um ca. 100€.
Wer neue Kolbenkits verbaut, sollte auch rechtzeitig über neue Ventile und Sitzfräsen nachdenken.
Nichts ist blöder als ein abgerissenes Ventil in so einem Fall. Das ist dann einer Totalverschrottung des Motors gleich.
Die Schiene im Zylinder wechsle ich fast immer. Leider ist Kedo dzt out of parts.
Eine 30 jährige Schiene sieht so aus:
Geklebte Ölpumpenschrauben sind auch mit im Bild
Regards
Rei97
-
Luxt250
- Gelegenheitsposter

- Beiträge: 65
- Registriert: Mo Mär 18, 2013 21:56
Re: Steuerketten-Gleitschiene Spannerseite
War heute bei Kolben Seeger, dort wurde mir zum nächsten Übermaß geraten. Neue Kolbenringe sollen selbst in Verbindung mit hohnen nicht den Ölverbrauch senken.
Glaube das Maß lag bei 4 Hundertstel über Standardmaß. Zylinder rund aber nach oben größer werdend.
Ventile könnte ich im ausgebauten Zustand dann dort mit messen lassen.
Was meint ihr? Ca 150€ für Dichtsatz, Kolbenringe und Ventilschaftdichtungen oder direkt nächstes Übermaß?
Glaube das Maß lag bei 4 Hundertstel über Standardmaß. Zylinder rund aber nach oben größer werdend.
Ventile könnte ich im ausgebauten Zustand dann dort mit messen lassen.
Was meint ihr? Ca 150€ für Dichtsatz, Kolbenringe und Ventilschaftdichtungen oder direkt nächstes Übermaß?
- rei97
- Fleißiger Forums-Guru

- Beiträge: 4085
- Registriert: So Jul 13, 2003 20:14
- Wohnort: Denkendorf
Re: Steuerketten-Gleitschiene Spannerseite
Also:
Ich hoffe Dein Instandsetzer hat mal mit dem Haarlineal über die obere Dichtfläche geschielt. . Ca 80% sind dort eingefallen und sollten arte lege oben plangefräst werden. Eine Zugentlastung kennt er?
Beim Kolbenkit habe ich im anderen Faden geantwortet.
Mir sind Gusskolben lieber, weil sie beim Einfahren unproblematisch sind.
Preise über 300€ für alles am Zylinder mag ich nicht.
Regards
Rei97
Ich hoffe Dein Instandsetzer hat mal mit dem Haarlineal über die obere Dichtfläche geschielt. . Ca 80% sind dort eingefallen und sollten arte lege oben plangefräst werden. Eine Zugentlastung kennt er?
Beim Kolbenkit habe ich im anderen Faden geantwortet.
Mir sind Gusskolben lieber, weil sie beim Einfahren unproblematisch sind.
Preise über 300€ für alles am Zylinder mag ich nicht.
Regards
Rei97
Wer ist online?
Mitglieder in diesem Forum: Google [Bot] und 1 Gast