Seite 1 von 1
XT 500 Seitenständer der frühen Baujahre 76-79
Verfasst: Do Dez 30, 2010 14:17
von tr6pitt
Hallo zusammen,
hier meine Frage: Die XT 500 -Modelle bis 1979 haben meines Wissens nach alle die Seitenständerversion ohne Federumlenkung (mit lediglich einer Zugfeder). Ab 1980 gab es die Zweifedervarianten mit Umlenkung.
Die -alten- Einfedervarianten klappen den Seitenständer nicht automatisch ein, die "neueren" schon.
Wenn man nun ein altes Modell beim TÜV vorfährt, bekommt man dann mit diesem - aus heutiger Sicht - Sicherheitsmangel bei der Abnahme Probleme ? Muss der Seitenständer auf heutigen Standart umgebaut werden?
Meines Wissens nach müsste man dafür am Rahmen schweißen, was ich nicht so gerne möchte.
Kann man`s lassen ?
Wenn nein, wie baut man möglichst schonend und sinnvoll um ?
Danke, wünsche allen einen guten Rutsch, Grüße, Pitt
Re: XT 500 Seitenständer der frühen Baujahre 76-79
Verfasst: Do Dez 30, 2010 15:01
von Lego_Bagger
Hmm, meine ist von '77 mit einer Feder. Vorrausgesetzt, da klemmt kein Dreck drin zieht die den
Seitenständer schon frei hoch.
Re: XT 500 Seitenständer der frühen Baujahre 76-79
Verfasst: Do Dez 30, 2010 16:23
von XTmike
Hi,
meine '79er hat zwei Federn!
Guten Rutsch...
Re: XT 500 Seitenständer der frühen Baujahre 76-79
Verfasst: Do Dez 30, 2010 19:49
von Bertel
Hallo Pit,
da ich meine 79er unvollständig zusammengebaut gekauft habe, entschloß ich mich zu folgender funktionalen Interpretation der mitgelieferten Teile.

- Schraube und Mutter vertauscht
Ich habe die Schraube von hinten durchgesteckt, sodass sich die im Teilekonvolut enthaltene Federumlenkung an deren überstehenden Gewinde anlegt und den Ständer sicher selbsteinklappend macht. Ob das original ist? Keine Ahnung. Aber ich hoffe der TÜV findet es in ein paar Wochen so gut wie ich, denn selbigen hat das Moped seit über 22 Jahren nicht mehr.
Gruß
Bert
Re: XT 500 Seitenständer der frühen Baujahre 76-79
Verfasst: Do Dez 30, 2010 22:20
von 660smc
Hallo Pit
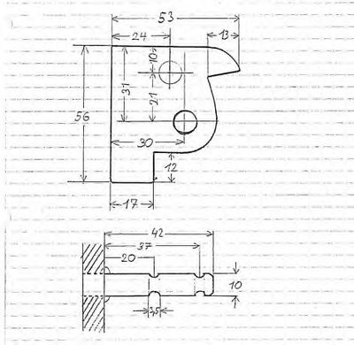
Bei mir war der eingeschweisste Bolzen abgebrochen
Yamahardy hat mir diese Skizze gemacht

- Seitenständer Aufnahme.jpg (31.78 KiB) 6863 mal betrachtet
Anhand der Skizze habe ich einen Bolzen angefertigt auf der Drehbank
und dann in den Rahmen eingeschweisst
Dann von KEDO Federn und Umlenkung verbaut.
Gruss Hanspeter
Re: XT 500 Seitenständer der frühen Baujahre 76-79
Verfasst: Do Aug 14, 2014 8:03
von ulme
Moin,
kann mir bitte jemand die original Länge des Seitenständers mitteilen.
Also von oben mitte Befestigungsschraube bis unten.
Dankeschön.
Re: XT 500 Seitenständer der frühen Baujahre 76-79
Verfasst: Do Aug 14, 2014 20:01
von PeJo
Hallo Pit
Bei mir war der eingeschweisste Bolzen abgebrochen
Yamahardy hat mir diese Skizze gemacht
Seitenständer Aufnahme.jpg
Gruss Hanspeter
Hi Hanspeter,
stimmt nicht die Skizze hab ich mal vor ca. 25 Jahren gezeichnet und Irgendwann mal hier ins Forum eingestellt
Aber zum Thema: Meine 78er hat auch zwei Federn.
Gruß Peter
Re: XT 500 Seitenständer der frühen Baujahre 76-79
Verfasst: Do Aug 14, 2014 20:09
von PeJo
Moin,
kann mir bitte jemand die original Länge des Seitenständers mitteilen.
Also von oben mitte Befestigungsschraube bis unten.
Dankeschön.
Klar doch
Genau 31 cm
Gruß Peter
Re: XT 500 Seitenständer der frühen Baujahre 76-79
Verfasst: Do Aug 14, 2014 22:10
von 660smc
[/quote]
Hi Hanspeter,
stimmt nicht die Skizze hab ich mal vor ca. 25 Jahren gezeichnet und Irgendwann mal hier ins Forum eingestellt
Aber zum Thema: Meine 78er hat auch zwei Federn.
Gruß Peter[/quote]
Hi Peter
...hoffentlich habe ich da nicht Urheberrechte missbraucht
gruss Hanspeter
Re: XT 500 Seitenständer der frühen Baujahre 76-79
Verfasst: Fr Aug 15, 2014 1:01
von YAMAHARDY
Yamahardy hat mir diese Skizze gemacht
Gruss Hanspeter
Habe ich "nie" behauptet !!!
Gruß Hardy
Re: XT 500 Seitenständer der frühen Baujahre 76-79
Verfasst: Fr Aug 15, 2014 6:36
von PeJo
Yamahardy hat mir diese Skizze gemacht
Gruss Hanspeter
Habe ich "nie" behauptet !!!
Gruß Hardy
Ganz Ruhig Hardy ...
hab dich lieb
Grüße nach Berlin
Peter
Re: XT 500 Seitenständer der frühen Baujahre 76-79
Verfasst: Fr Aug 15, 2014 8:52
von YAMAHARDY
hab dich lieb
Grüße nach Berlin
Peter
Höre ich da schon die Hochzeitsglocken läuten ?
Gruß, Hardy
Re: XT 500 Seitenständer der frühen Baujahre 76-79
Verfasst: Fr Aug 15, 2014 13:08
von ulme
Moin,
kann mir bitte jemand die original Länge des Seitenständers mitteilen.
Also von oben mitte Befestigungsschraube bis unten.
Dankeschön.
Klar doch
Seitenständer.JPG
Genau 31 cm
Gruß Peter
Vielen Dank Peter, mein Ständer ist genauso lang

also der von der XT
Ich dachte er wäre zu kurz, weil die Schräglage mir doch ziemlich "schräg" vorkommt.
Re: XT 500 Seitenständer der frühen Baujahre 76-79
Verfasst: Fr Aug 15, 2014 15:26
von Mr. Polish
Das liegt nicht an der Länge des Ständers, sondern daran, wie verbogen die Halterung desselbigen ist.
Das Befestigungsauge ist oft auch schon ziemlich geweitet, was die Stabilität der Konstruktion nicht gerade fördert...
Gruss, Fabi