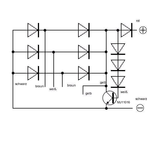
in meiner XT ist ein Aigner double Volt (don't be afraid
Würde jetzt gerne gleich den Regler dazu rauswerfen und den 3-Phasen Gleichrichter-Regler von Kedo einsetzen.
Passt der dann?
Hat mir jemand einen Schaltplan vom Aigner dass ich den Umbau richtig durchführen kann?
Danke für eure Hilfe

