Neuer Kabelbaum nach früherem 12-Volt-Umbau
-
biene1909
- Gelegenheitsposter

- Beiträge: 63
- Registriert: Di Sep 29, 2020 19:32
- woddel
- XT-Forums-Guru

- Beiträge: 2294
- Registriert: Do Jan 12, 2017 13:30
- Wohnort: Nämberch
Re: Neuer Kabelbaum nach früherem 12-Volt-Umbau
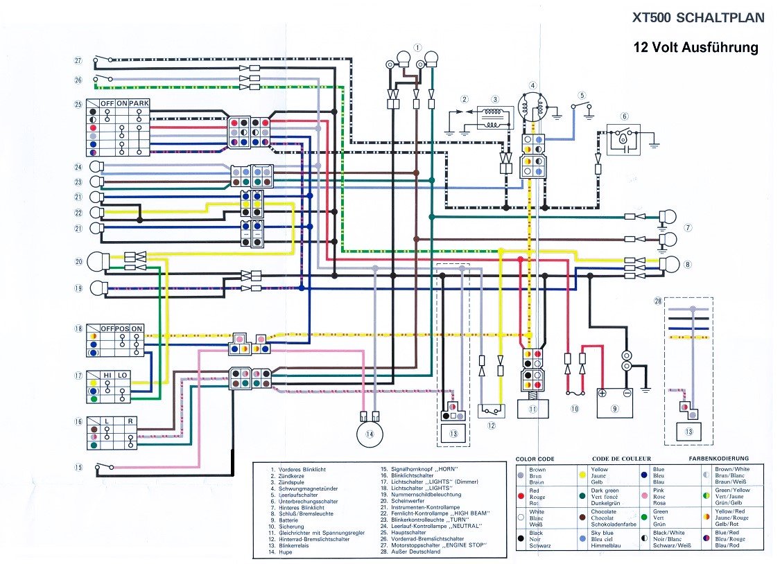
Gelb ist Wechselstrom nach Lichtschalter für Fernlicht
1x an die Scheinwerferbirne und
1x in den DZM für die Kontrolllampe
Dunkelblau ist die Versorgung nach dem Lichtschalter für die Instrumentenbeleuchtung. Je nach Schaltung Batterieplus ODER Wechselstrom…
1x an die Scheinwerferbirne und
1x in den DZM für die Kontrolllampe
Dunkelblau ist die Versorgung nach dem Lichtschalter für die Instrumentenbeleuchtung. Je nach Schaltung Batterieplus ODER Wechselstrom…

- woddel
- XT-Forums-Guru

- Beiträge: 2294
- Registriert: Do Jan 12, 2017 13:30
- Wohnort: Nämberch
Re: Neuer Kabelbaum nach früherem 12-Volt-Umbau
Prüfe mal wie rot/Gelb vom Lichtschalter am Kabelbaum hängt oder ob da eine Brücke rangefummelt ist. Da sollte in keinem Fall ohne Motorlauf Strom zu finden sein.

-
biene1909
- Gelegenheitsposter

- Beiträge: 63
- Registriert: Di Sep 29, 2020 19:32
Re: Neuer Kabelbaum nach früherem 12-Volt-Umbau
Ich hab mal den Schalter aufgemacht, für mich sieht das blaue Kabel etwas komisch aus.
Rechts ist der HI - LO-Schalter und links der ON - OFF-Schalter
-
biene1909
- Gelegenheitsposter

- Beiträge: 63
- Registriert: Di Sep 29, 2020 19:32
Re: Neuer Kabelbaum nach früherem 12-Volt-Umbau
Rot/Gelb geht vom ON-OFF-Schalter in der Lenkerarmatur zum Stecker im Lampentopf und von da auf das passende Steckerteil am Kabelbaum mit Rot/Gelb weiter.
-
biene1909
- Gelegenheitsposter

- Beiträge: 63
- Registriert: Di Sep 29, 2020 19:32
Re: Neuer Kabelbaum nach früherem 12-Volt-Umbau
Das blau/rote Kabel vom ON-OFF-Schalter geht zum Stecker im Lampentopf und wechselt da im passenden Steckerteil am Kabelbaum auf blau!?
-
pedal.pat
- Fleißiger Poster

- Beiträge: 139
- Registriert: Sa Jul 06, 2013 17:06
- Wohnort: Neu Isenburg
Re: Neuer Kabelbaum nach früherem 12-Volt-Umbau
Das wär laut meinem Plan für das OE 12 V normal rt /bl hat mit der Kennzeichen leuchte + Park + Rücklicht ( dk bl ) zu tun .
Im schalter sollte das Blaue von der Licht ON auf HI / Lo weitergehen das sieht in der perspektive wie eine Brücke aus, und wäre meines erachtens ok
Hast du alle Massepunkte verbunden , wenn nicht , würde so manche Fehlfunktion erklären , da holt sich die + Spannug / Verbraucher die - Masse über alles was geht .....
Im schalter sollte das Blaue von der Licht ON auf HI / Lo weitergehen das sieht in der perspektive wie eine Brücke aus, und wäre meines erachtens ok
Hast du alle Massepunkte verbunden , wenn nicht , würde so manche Fehlfunktion erklären , da holt sich die + Spannug / Verbraucher die - Masse über alles was geht .....
-
pedal.pat
- Fleißiger Poster

- Beiträge: 139
- Registriert: Sa Jul 06, 2013 17:06
- Wohnort: Neu Isenburg
Re: Neuer Kabelbaum nach früherem 12-Volt-Umbau
Ich hatte die woche die OE Hupe ( 2 A aufnahme ) , die ab und zu nichts verwertbares heraus bringt gegen eine mit weniger stromaufnahme ( 1 A ) gewechselt , und habe ja LED blinker am Moped , nun kommt es ab und zu vor das die Hupe ohne betätigung leichte geräusche macht, ich habe während des Fahrens noch nicht feststellen könne welche schalterstellungen für das Phänomen verantwortlich sind, rücke aber die LED blinker trotz dioden LTG in den Focus das sie darüber irgendwie + zieht ( halbwelle von ? )
-
biene1909
- Gelegenheitsposter

- Beiträge: 63
- Registriert: Di Sep 29, 2020 19:32
Re: Neuer Kabelbaum nach früherem 12-Volt-Umbau
"Hast du alle Massepunkte verbunden , wenn nicht , würde so manche Fehlfunktion erklären , da holt sich die + Spannug / Verbraucher die - Masse über alles was geht ....."
Der Massepunkt oberhalb der Batterie und der an der Gabelbrücke sind beide mit den entsprechenden Kabeln verbunden. Weiter kenne ich keinen Massepunkt.
Habe einen neuen Schalter fürs Licht besorgt und eingebaut. Ein paar Änderungen hat es gegeben:
Bei Zündung Pos. 2 und Licht ON brennt die Leerlaufanzeige und das Bremslicht jetzt schön hell und das Standlicht brennt. Abblendlicht und Fernlicht brennt nicht mehr.
Bei Zündung Pos. 3 Lichtschalter ON Fernlicht HI und LO brennt das Abblendlicht, das Fernlicht und die Fernlichtkontrollleuchte jetzt nicht mehr.
Der Massepunkt oberhalb der Batterie und der an der Gabelbrücke sind beide mit den entsprechenden Kabeln verbunden. Weiter kenne ich keinen Massepunkt.
Habe einen neuen Schalter fürs Licht besorgt und eingebaut. Ein paar Änderungen hat es gegeben:
Bei Zündung Pos. 2 und Licht ON brennt die Leerlaufanzeige und das Bremslicht jetzt schön hell und das Standlicht brennt. Abblendlicht und Fernlicht brennt nicht mehr.
Bei Zündung Pos. 3 Lichtschalter ON Fernlicht HI und LO brennt das Abblendlicht, das Fernlicht und die Fernlichtkontrollleuchte jetzt nicht mehr.
- woddel
- XT-Forums-Guru

- Beiträge: 2294
- Registriert: Do Jan 12, 2017 13:30
- Wohnort: Nämberch
Re: Neuer Kabelbaum nach früherem 12-Volt-Umbau
Bei pos 3 ohne Motorlauf brennt das Abblendlicht aber Fernlicht gar nicht?
Gesendet von iPhone mit Tapatalk
Gesendet von iPhone mit Tapatalk

-
biene1909
- Gelegenheitsposter

- Beiträge: 63
- Registriert: Di Sep 29, 2020 19:32
Re: Neuer Kabelbaum nach früherem 12-Volt-Umbau
Anders beschrieben: Bei Zündung Pos. 3, Lichtschalter ON, Fernlicht HI oder LO: Weder Abblendlicht, noch Fernlicht, noch Fernlichtkontrollleuchte brennen. Es brennt das Rücklicht und das Standlicht!
- woddel
- XT-Forums-Guru

- Beiträge: 2294
- Registriert: Do Jan 12, 2017 13:30
- Wohnort: Nämberch
- woddel
- XT-Forums-Guru

- Beiträge: 2294
- Registriert: Do Jan 12, 2017 13:30
- Wohnort: Nämberch
Re: Neuer Kabelbaum nach früherem 12-Volt-Umbau
…wenn bei laufendem Motor Abblendlicht und Fernlicht nebst Kontrolleuchte sich passend zur Schalterstellung verhalten ist’s gut.
Die drei Leuchten sind serienmäßig nur mit Wechselstrom vom laufenden Motor versorgt (gelb-rot).
Der Grund ist der hohe Stromverbrauch,
der sonst die schwächelige Batterie
schnellstens leersaugt - nicht nur im Stand,
sondern auch bei niedrigen Drehzahlen.
Die drei Leuchten sind serienmäßig nur mit Wechselstrom vom laufenden Motor versorgt (gelb-rot).
Der Grund ist der hohe Stromverbrauch,
der sonst die schwächelige Batterie
schnellstens leersaugt - nicht nur im Stand,
sondern auch bei niedrigen Drehzahlen.

-
biene1909
- Gelegenheitsposter

- Beiträge: 63
- Registriert: Di Sep 29, 2020 19:32
Re: Neuer Kabelbaum nach früherem 12-Volt-Umbau
Jetzt hab ich bei laufendem Motor getestet: Zündung Pos. 1: Leerlaufkontrollleuchte brennt und das Bremslicht brennt.
Zündung Pos. 2, Licht OFF, Fernlicht auf HI + LO gleich: Standlicht brennt, Leerlaufanzeige brennt Bremslicht brennt, Rücklicht brennt nicht, Instrumentenbeleuchtung brennt, Abblendlicht/Fernlicht brennt nicht.
Zündung Pos. 2, Licht ON, Fernlicht LO: Instrumentenbeleuchtung brennt nicht mehr, Bremslicht brennt, Abblendlicht brennt schwach, wird aber mit zunehmender Drehzahl heller. Bei Licht ON und Fernlicht HI: Fernlicht brennt schwach, wird aber mit höherer Drehzahl heller.
Rücklicht brennt nur auf Zündungsposition 3 und wenn Motor aus ist. Wie überprüfe ich die beiden Bremslichtschalter auf Funktion, wann muss auf welchem Kabel 12V sein und wann nicht?
Zündung Pos. 2, Licht OFF, Fernlicht auf HI + LO gleich: Standlicht brennt, Leerlaufanzeige brennt Bremslicht brennt, Rücklicht brennt nicht, Instrumentenbeleuchtung brennt, Abblendlicht/Fernlicht brennt nicht.
Zündung Pos. 2, Licht ON, Fernlicht LO: Instrumentenbeleuchtung brennt nicht mehr, Bremslicht brennt, Abblendlicht brennt schwach, wird aber mit zunehmender Drehzahl heller. Bei Licht ON und Fernlicht HI: Fernlicht brennt schwach, wird aber mit höherer Drehzahl heller.
Rücklicht brennt nur auf Zündungsposition 3 und wenn Motor aus ist. Wie überprüfe ich die beiden Bremslichtschalter auf Funktion, wann muss auf welchem Kabel 12V sein und wann nicht?
- woddel
- XT-Forums-Guru

- Beiträge: 2294
- Registriert: Do Jan 12, 2017 13:30
- Wohnort: Nämberch
Re: Neuer Kabelbaum nach früherem 12-Volt-Umbau
Beide Bremslichtschalter haben einen Anschluss an Braun.
(das ist im übrigen im oben geposteten Schaltplan etwas seltsam in Grau dargestellt)
Braun ist die Versorgung mit Plus von der Batterie nach dem Zündschloss.
Der andere Anschluss ist also der geschaltete.
Quizfrage: Wo prüfe ich ob der Schalter schaltet?
(das ist im übrigen im oben geposteten Schaltplan etwas seltsam in Grau dargestellt)
Braun ist die Versorgung mit Plus von der Batterie nach dem Zündschloss.
Der andere Anschluss ist also der geschaltete.
Quizfrage: Wo prüfe ich ob der Schalter schaltet?

Wer ist online?
Mitglieder in diesem Forum: Ahrefs [Bot], Google [Bot] und 2 Gäste