Elektrik - Kabelbaum Eigenbau
-
Manfred3103
- Wenigposter

- Beiträge: 3
- Registriert: Mi Feb 14, 2024 16:13
Elektrik - Kabelbaum Eigenbau
Hallo liebes Forum,
da Ich Neu im Forum bin, möchte Ich mich kurz vorstellen. Mein Name ist Manfred, Ich bin 30 Jahre alt und komme aus München. Ich bin gerade dabei unseren Familienbesitz XT500/1U6,BJ:1983, wieder zurück ins Leben zu rufen! Das läuft soweit ganz gut - fahrbereit ist Sie schon - allerdings bereitet mir die Verkabelung etwas Kopfzerbrechen. Ich würde mich freuen, wenn ihr mir weiterhelfen könntet.
Die XT habe Ich ohne jegliche Form von Elektrik übernommen, lediglich die 2 Drähte der Lichtspule sind noch vorhanden (Gelb und Weiß).
Ich würde die Elektrik der XT gerne relativ minimalistisch halten -> Sprich es sollten nur Hauptscheinwerfer, Rücklicht, Bremslicht, Hupe & Instrumentenbeleuchtung vorhanden sein. Zündschloss ist nicht unbedingt ein muss, würde diesen gerne gg. einen Schalter o.Ä ersetzen. Batterie kann Ich besten Fall auch wegbleiben - es sei denn das Leuchtergebnis wird damit erheblich verbessert.
Für den Lenker habe Ich einen Lichtschalter 0/Abblendlicht/Aufblendlicht mit Killswitch. Für die Hupe/Schnarre einen X-Beliebigen Taster.
Aus irgendeiner Idee heraus, habe Ich mir bei Kedo folgenden Regler bestellt.
https://www.kedo.de/pme-plugin-spannung ... egler.html
Jetzt zu meinen Fragen: Ist es möglich die gesamte Bordelektrik (inkl. Hauptscheinwerfer) über diesen Regler laufen zu lassen, oder ist die benötigte Leistung zu hoch? Welcher Draht der Lichtspule muss an den Regler geklemmt werden? Wofür ist der zweite Draht an der Spule? Wird das Leerlauflämpchen lediglich mit Spannung versorgt, und schaltet dann gegen Masse?
Würde sich eventuell jemand bereiterklären, mir einen Schaltplan zu zeichnen/kritzeln? Ich habe noch 3 Kisten mit Ersatzteilen jeglicher Art, gerne würde Ich mich mit dem ein oder anderen Ersatzteil natürlich dafür erkenntlich zeigen.
Vielen Dank schon mal.
da Ich Neu im Forum bin, möchte Ich mich kurz vorstellen. Mein Name ist Manfred, Ich bin 30 Jahre alt und komme aus München. Ich bin gerade dabei unseren Familienbesitz XT500/1U6,BJ:1983, wieder zurück ins Leben zu rufen! Das läuft soweit ganz gut - fahrbereit ist Sie schon - allerdings bereitet mir die Verkabelung etwas Kopfzerbrechen. Ich würde mich freuen, wenn ihr mir weiterhelfen könntet.
Die XT habe Ich ohne jegliche Form von Elektrik übernommen, lediglich die 2 Drähte der Lichtspule sind noch vorhanden (Gelb und Weiß).
Ich würde die Elektrik der XT gerne relativ minimalistisch halten -> Sprich es sollten nur Hauptscheinwerfer, Rücklicht, Bremslicht, Hupe & Instrumentenbeleuchtung vorhanden sein. Zündschloss ist nicht unbedingt ein muss, würde diesen gerne gg. einen Schalter o.Ä ersetzen. Batterie kann Ich besten Fall auch wegbleiben - es sei denn das Leuchtergebnis wird damit erheblich verbessert.
Für den Lenker habe Ich einen Lichtschalter 0/Abblendlicht/Aufblendlicht mit Killswitch. Für die Hupe/Schnarre einen X-Beliebigen Taster.
Aus irgendeiner Idee heraus, habe Ich mir bei Kedo folgenden Regler bestellt.
https://www.kedo.de/pme-plugin-spannung ... egler.html
Jetzt zu meinen Fragen: Ist es möglich die gesamte Bordelektrik (inkl. Hauptscheinwerfer) über diesen Regler laufen zu lassen, oder ist die benötigte Leistung zu hoch? Welcher Draht der Lichtspule muss an den Regler geklemmt werden? Wofür ist der zweite Draht an der Spule? Wird das Leerlauflämpchen lediglich mit Spannung versorgt, und schaltet dann gegen Masse?
Würde sich eventuell jemand bereiterklären, mir einen Schaltplan zu zeichnen/kritzeln? Ich habe noch 3 Kisten mit Ersatzteilen jeglicher Art, gerne würde Ich mich mit dem ein oder anderen Ersatzteil natürlich dafür erkenntlich zeigen.
Vielen Dank schon mal.
- hershey
- XT500-Online-Berater

- Beiträge: 967
- Registriert: Mi Jun 29, 2011 18:39
Re: Elektrik - Kabelbaum Eigenbau
Ich habe mir mal einen minimaleren Kabelbaum mit wasserdichten AMP-Steckern gebaut. Allerdings mit Zündschloss, Ochsenaugenblinker, aber ohne Kontrolleuchten. Den og. Kedoregler habe ich später auch eingebaut war quasi plug & play.
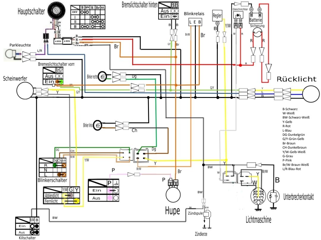
Hier mein Schaltplan:
Hier mein Schaltplan:
- XTFRO
- XT-Forums-Guru

- Beiträge: 1303
- Registriert: Do Sep 18, 2014 12:46
- Wohnort: Rüsselsheim am Main
Re: Elektrik - Kabelbaum Eigenbau
Und hier der Vollständigkeit wegen der reguläre Schaltplan der 12V-XT:
- motorang
- Fleißiger Forums-Guru

- Beiträge: 4890
- Registriert: Mo Aug 25, 2003 16:45
- Wohnort: Graz, Österreich
- Kontaktdaten:
Re: Elektrik - Kabelbaum Eigenbau
Der Regler sollte das sicher aushalten, der Generator schafft ja maximal 100W also bei 12V grob 8A. Wenn Du mehr Last draufgibst bricht die Spannung ein, der Regler sieht dann weniger Last.
Es ist eher so dass Dein Licht finster wird wenn Du hupst und bremst ... also irgendein kleiner Pufferakku wäre schon schlau
Gryße!
Andreas, der motorang
Es ist eher so dass Dein Licht finster wird wenn Du hupst und bremst ... also irgendein kleiner Pufferakku wäre schon schlau
Gryße!
Andreas, der motorang
Die häufigsten Ursachen für Vergaserprobleme finden sich im Zündungsbereich * Bucheli-Projekt
-
Manfred3103
- Wenigposter

- Beiträge: 3
- Registriert: Mi Feb 14, 2024 16:13
Re: Elektrik - Kabelbaum Eigenbau
Also, wenn Ich mich jetzt am Original- Schaltplan orientiere, und das mit dem KEDO-Regler kombiniere, verstehe Ich das so.
Also die Mittelanzapfung (gelb oder gelb/weiß) kann mit gelb vom Regler verbunden werden.
Die Lichtspule ( weiß) kann mit weiß vom Regler verbunden werden.
Schwarz vom Regler kommt auf den - Pol der Batterie und zusätzlich noch an den Rahmen.
Und Rot kommt an den + Pol der Batterie - welche Sicherung soll da dazwischen? Bei max. Leistung 8A kann doch ne 10er rein, oder?
Und meine gesamte Gleichspannung greife Ich dann einfach zusätzlich vom + Pol der Batterie ab?
Grüße,
Manfred
Also die Mittelanzapfung (gelb oder gelb/weiß) kann mit gelb vom Regler verbunden werden.
Die Lichtspule ( weiß) kann mit weiß vom Regler verbunden werden.
Schwarz vom Regler kommt auf den - Pol der Batterie und zusätzlich noch an den Rahmen.
Und Rot kommt an den + Pol der Batterie - welche Sicherung soll da dazwischen? Bei max. Leistung 8A kann doch ne 10er rein, oder?
Und meine gesamte Gleichspannung greife Ich dann einfach zusätzlich vom + Pol der Batterie ab?
Grüße,
Manfred
- XTFRO
- XT-Forums-Guru

- Beiträge: 1303
- Registriert: Do Sep 18, 2014 12:46
- Wohnort: Rüsselsheim am Main
Re: Elektrik - Kabelbaum Eigenbau
Generell richtig, so wie es ja auch im Katalog-Text zu dem KEDO-Regler erläutert wird, den Du bestellt hast!
Ganz oben schreibst Du von lediglich zwei Drähten der Lichtspule, die noch vorhanden sind!?
Der dritte Draht von der Spule für die Zündung ist hoffentlich aber auch noch da!?!
Ganz oben schreibst Du von lediglich zwei Drähten der Lichtspule, die noch vorhanden sind!?
Der dritte Draht von der Spule für die Zündung ist hoffentlich aber auch noch da!?!
- XTFRO
- XT-Forums-Guru

- Beiträge: 1303
- Registriert: Do Sep 18, 2014 12:46
- Wohnort: Rüsselsheim am Main
Re: Elektrik - Kabelbaum Eigenbau
PS: Bei meiner 1977er 6V-XT wurde die ursprüngliche 10A-Sicherung einfach beibehalten, als ich sie vor etwa zehn Jahren mit einem Röbi-Regler auf 12V umgerüstet habe! Sie ist bis heute drin geblieben ...
-
Manfred3103
- Wenigposter

- Beiträge: 3
- Registriert: Mi Feb 14, 2024 16:13
Re: Elektrik - Kabelbaum Eigenbau
Ajaijai, auf den Katalog-Text habe Ich garnicht geachtet, lediglich darauf was auf der Internet-Seite zu finden war. Naja, wer lesen kann..
Ja, der dritte Draht der Lichtstromspule ist auch vorhanden - hab den allerdings nicht erwähnt, da er ja nichts mit der Lichtanlage zu tun hat.
Danke übrigens, du hast mir echt weitergeholfen.
Sag mal, besteht grundsätzlich auch die Möglichkeit LED´s zu verwenden? Ich hab über das Thema in dem Forum schon so viel gelesen, wirklich schlüssig bin Ich daraus nicht geworden.
Ja, der dritte Draht der Lichtstromspule ist auch vorhanden - hab den allerdings nicht erwähnt, da er ja nichts mit der Lichtanlage zu tun hat.
Danke übrigens, du hast mir echt weitergeholfen.
Sag mal, besteht grundsätzlich auch die Möglichkeit LED´s zu verwenden? Ich hab über das Thema in dem Forum schon so viel gelesen, wirklich schlüssig bin Ich daraus nicht geworden.
- XTFRO
- XT-Forums-Guru

- Beiträge: 1303
- Registriert: Do Sep 18, 2014 12:46
- Wohnort: Rüsselsheim am Main
Re: Elektrik - Kabelbaum Eigenbau
LEDs gibt es ja bereits in allen möglichen Formen mit diversen Spannungs- und Leistungswerten und den meisten der gängigen Schraub- oder Stecksockel, was einige Leute hier im Forum schon zu teils sehr weitgehend einschlägiger Umrüstung ihrer Zweiräder animiert hat!
Der eine oder andere dieser LED-Pioniere wird dazu sicher gern seine Erfahrungen zur Verfügung stellen ...
Der eine oder andere dieser LED-Pioniere wird dazu sicher gern seine Erfahrungen zur Verfügung stellen ...
- XTFRO
- XT-Forums-Guru

- Beiträge: 1303
- Registriert: Do Sep 18, 2014 12:46
- Wohnort: Rüsselsheim am Main
Re: Elektrik - Kabelbaum Eigenbau
Hallo Manfred!
Wenn Du konkretere Hilfestellung zum Einsatz von LEDs an Deiner XT wünschst, wirst Du wohl ein neues Thema eröffnen müssen!?
Die sonst so reaktionsfreudige XT-Gemeinde ist offenbar noch ein wenig im Winterschlaf!?
Mit herzlichem Gruß!
Heinz
Wenn Du konkretere Hilfestellung zum Einsatz von LEDs an Deiner XT wünschst, wirst Du wohl ein neues Thema eröffnen müssen!?
Die sonst so reaktionsfreudige XT-Gemeinde ist offenbar noch ein wenig im Winterschlaf!?
Mit herzlichem Gruß!
Heinz
- Mr. Polish
- 5000+ Club

- Beiträge: 5841
- Registriert: Mo Jun 02, 2003 15:57
- Wohnort: Grenzach
Re: Elektrik - Kabelbaum Eigenbau
Kurze Antwort: ja!Sag mal, besteht grundsätzlich auch die Möglichkeit LED´s zu verwenden?
Ausführlichere Antwort: wenn die Elektrik in Ordnung ist steht dem Einbau eines LED-Rück-/Bremslichts nichts im Weg.
Beim Einsatz von LED-Blinkern muss ein passendes Blinkrelais verwendet und die Ansteuerung der Blinkerkontrollleuchte angepasst werden (entweder weglassen oder Sperrdioden einbauen).
Wenn man LED-Birnen für den Scheinwerfer verwenden will muss man die Elektrik umstricken, weil der Scheinwerfer original mit Wechselstrom betrieben wird. Ist aber auch kein Ding der Unmöglichkeit.
Mit LED-Hupen kenne ich mich leider nicht aus und habe damit auch keinerlei Erfahrung
Gruss, Fabi
Es ist nicht alles Gold was glänzt;-)
- motorang
- Fleißiger Forums-Guru

- Beiträge: 4890
- Registriert: Mo Aug 25, 2003 16:45
- Wohnort: Graz, Österreich
- Kontaktdaten:
Re: Elektrik - Kabelbaum Eigenbau
Zum Thema LED-Scheinwerfer gibt es schon einiges in Forum, die XT-Gemeinde sucht da vorher mal ... 
Die häufigsten Ursachen für Vergaserprobleme finden sich im Zündungsbereich * Bucheli-Projekt
- Mambu
- Fleißiger Forums-Guru

- Beiträge: 2571
- Registriert: So Jun 01, 2003 10:55
- Wohnort: Grießen
Re: Elektrik - Kabelbaum Eigenbau
...genau, ...Zum Thema LED-Scheinwerfer gibt es schon einiges in Forum, die XT-Gemeinde sucht da vorher mal ...![]()
- XTFRO
- XT-Forums-Guru

- Beiträge: 1303
- Registriert: Do Sep 18, 2014 12:46
- Wohnort: Rüsselsheim am Main
Re: Elektrik - Kabelbaum Eigenbau
Ja, dachte zunächst auch daran, Manfred auf die Such-Funktion hinzuweisen, dann aber daran, dass es für einen 'Frischling' wohl erst einmal angenehmer wäre, auf etwas persönlicherem Weg Hilfestellung zu kriegen ...
- Nordi
- Gelegenheitsposter

- Beiträge: 78
- Registriert: Mo Apr 17, 2017 10:35
- Wohnort: Esslingen
Re: Elektrik - Kabelbaum Eigenbau
Das ist aber sehr rücksichtsvoll von Dir
Wer ist online?
Mitglieder in diesem Forum: Ahrefs [Bot], Bing [Bot], Google [Bot] und 1 Gast