Ölfiltergewinde Im Kupplungsdeckel defekt
-
oller46
- Gelegenheitsposter

- Beiträge: 33
- Registriert: Di Apr 01, 2008 17:14
- Bullrich_Salz
- Fleißiger Poster

- Beiträge: 134
- Registriert: Mo Jan 21, 2019 10:04
- Kontaktdaten:
Re:
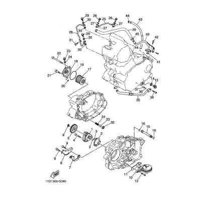
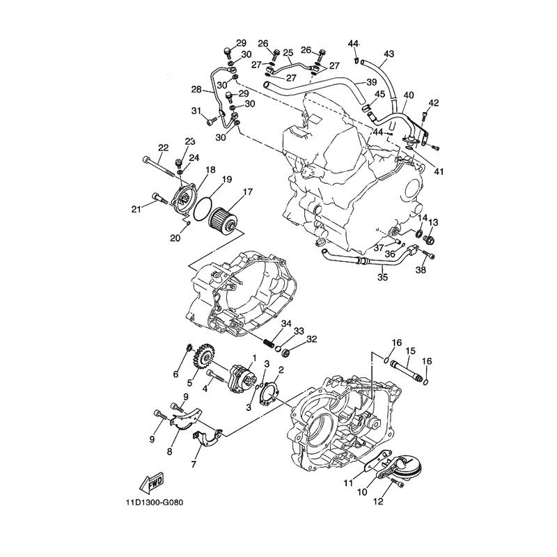
Was ich merkwürdig finde, ist, dass offiziell garkeine Dichtscheibe zwischen Schraubenkopf und Gehäuse vorgesehen ist. Zumindest auf folgender Zeichnung ist kein Dichtring vorgesehen: Bei mir tropft es schon länger Öl und ich habe die untere Ölfilterdeckelschraube nun als Verursacher ausmachen können, obwohl diese ja ohne Dichtring, bloß mit Gummi-O-Ring im Gehäuse, eigentlich völlig ordnungsgemäß eingebaut ist.Notfalls (bei Verlust der Schraube) kann diese auch durch eine ordinäre M6 ersetzt werden, die lediglich lang genug sein muss um die Gewindebohrung ordentlich zu verschließen, da ansonsten der Öldruck flöten geht bzw das Öl sich den direkten weg ins Motorgehäuse sucht.
Der fehlende dicke Bund hingegen ist unkritisch, er dient nur dazu dem O-Ring beim Ölwechsel eine durchgehende Dichtfläche zu bieten, damit genau dann nix raussabbert. Beim Fahren benötigt man weder Bund noch O-Ring, lediglich der Schraubenkopf sollte gegen das Gehäuse mit einer Dichtscheibe (Kupfer oder Alu) versehen sein.
Wer ist online?
Mitglieder in diesem Forum: Bing [Bot], Google [Bot], Majestic-12 [Bot] und 2 Gäste