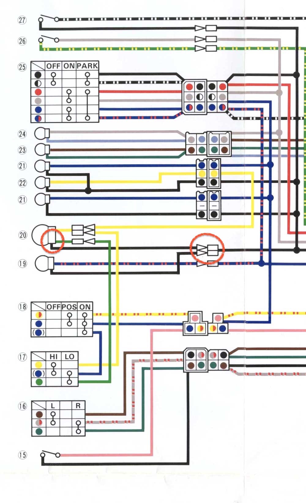
Meine 79er zeigt ab und an den Totalausfall der Fahrbeleuchtung. Anscheinend ist nur der wechselspannungsbetriebene Teil der Elektrik betroffen, der Rest macht, was er soll. Das Seltsame ist, dass das Licht manchmal ohne erkennbaren Auslöser komplett weg ist und dann irgendwann, wieder ohne erkennbaren Auslöser, wieder da. Kein Flackern oder Funzeln, sondern volle Funktion oder totaler Ausfall.
Könnte eine kalte Lötstelle an der Spule in der Lima in Betracht kommen?
Die Elektrik ist bis auf den Ami-Plug-and- Play-Regler (12V, blaues Kabel), H4-Licht sowie einer Blei-Gel-Bakterie original belassen.
Ich würde mich über konstruktive Tipps freuen.
Danke & Grüße, Heimo
Abblend- & Fernlicht: mal da, mal nicht
-
BRG
- Fleißiger Poster

- Beiträge: 127
- Registriert: Mi Jun 11, 2003 20:41
Abblend- & Fernlicht: mal da, mal nicht
You know what I like - so get on yer bike!
- motorang
- Fleißiger Forums-Guru

- Beiträge: 4890
- Registriert: Mo Aug 25, 2003 16:45
- Wohnort: Graz, Österreich
- Kontaktdaten:
Re: Abblend- & Fernlicht: mal da, mal nicht
Das einfachste wäre ein lockerer Anschluss der Masse an der Glühbirne (H4-Stecker) oder eine dortig defekte Birne.
Das nächst einfache wäre ein Problem in der Zuleitung zum Lichtschalter oder im Lichtschalter selbst, je nach Modell im Lenkerschalter oder im Zündschloss.
An die Lichtspule glaub ich zuletzt, eher ist es einer der beteiligten Stecker oder ein Kabelbruch im Kabelbaum der Lichtmaschine.
Gryße!
Andreas, der motorang
Das nächst einfache wäre ein Problem in der Zuleitung zum Lichtschalter oder im Lichtschalter selbst, je nach Modell im Lenkerschalter oder im Zündschloss.
An die Lichtspule glaub ich zuletzt, eher ist es einer der beteiligten Stecker oder ein Kabelbruch im Kabelbaum der Lichtmaschine.
Gryße!
Andreas, der motorang
Die häufigsten Ursachen für Vergaserprobleme finden sich im Zündungsbereich * Bucheli-Projekt
-
markus
- Fleißiger Poster

- Beiträge: 133
- Registriert: Sa Jan 31, 2004 23:41
Re: Abblend- & Fernlicht: mal da, mal nicht
Hallo Heimo.
Hast du am Zündschloß 4 mögliche Schlüsselstellungen? Ich weis nicht ob es das beim Bj. 79 noch gab. Bei meiner 78er ist das so. Da wird die Versorgungsspannung für den Scheinwerfer, zusätzlich zum Lenkerschalter, auch noch über das Zündschloß geschaltet (Spannung weitergeleitet bei Schlüsselstellung 3 d.h. bei den 2 Punkten). Die Zündschlösser sind meist ziemlich ausgenudelt. Wenn du also so ein Zündschloß verbaut hast, dann ist das auch eine mögliche Fehlerquelle.
Tritt der Fehler nur beim Fahren auf, oder auch wenn du die XT im Stand laufen lässt?
Gruß
Markus
Hast du am Zündschloß 4 mögliche Schlüsselstellungen? Ich weis nicht ob es das beim Bj. 79 noch gab. Bei meiner 78er ist das so. Da wird die Versorgungsspannung für den Scheinwerfer, zusätzlich zum Lenkerschalter, auch noch über das Zündschloß geschaltet (Spannung weitergeleitet bei Schlüsselstellung 3 d.h. bei den 2 Punkten). Die Zündschlösser sind meist ziemlich ausgenudelt. Wenn du also so ein Zündschloß verbaut hast, dann ist das auch eine mögliche Fehlerquelle.
Tritt der Fehler nur beim Fahren auf, oder auch wenn du die XT im Stand laufen lässt?
Gruß
Markus
-
BRG
- Fleißiger Poster

- Beiträge: 127
- Registriert: Mi Jun 11, 2003 20:41
Re: Abblend- & Fernlicht: mal da, mal nicht
Der Fehler trat schon einmal auf, ließ sich aber damals einfach beheben, da nur die stromzuführende Leitung zum H4-Stecker ab (geschmort?) war.
Okay, ich hab' so ein ZS & werd's mal checken. Im Stand hab' ich's nicht ausprobiert. Möcht' ich auch nicht, da der Zeitraum bis zum Auftreten bzw. Verschwinden des Fehlers bisweilen sehr lang ist ...
Danke & Grüße, Heimo
Okay, ich hab' so ein ZS & werd's mal checken. Im Stand hab' ich's nicht ausprobiert. Möcht' ich auch nicht, da der Zeitraum bis zum Auftreten bzw. Verschwinden des Fehlers bisweilen sehr lang ist ...
Danke & Grüße, Heimo
You know what I like - so get on yer bike!
-
BRG
- Fleißiger Poster

- Beiträge: 127
- Registriert: Mi Jun 11, 2003 20:41
Re: Abblend- & Fernlicht: mal da, mal nicht
So, ich hab's heute mal mit 'nem anderen Zündschloss probiert. Ändert leider nix am Fehler. Aber ich habe ein zusätzliches Symptom feststellen können: Wenn ich den Lichtschalter auf "on" schiebe, wird die Instrumentenbeleuchtung sehr schwach und die Fernlichtkontrollleuchte geht an.
Hat dazu jemand eine Idee?
Danke & Grüße, Heimo
Hat dazu jemand eine Idee?
Danke & Grüße, Heimo
You know what I like - so get on yer bike!
- TT Georg
- Fleißiger Forums-Guru

- Beiträge: 3253
- Registriert: Fr Apr 23, 2004 23:34
- Wohnort: 44289 Dortmund
- Kontaktdaten:
Re: Abblend- & Fernlicht: mal da, mal nicht
hört sich für mich nach nem Kurzen im lampentopf an. aber wo ist der da?
Wenn mir als 18jähriger im Jahr 1988 gesagt hätte, das ich dieses 40 Jahre alte Moped fahren soll um cool zu sein, dann haetten ich wohl ganz brav den Mittelfinger gehoben und auf den hobeln aus 1948 gezeigt. Vergiss es.
- woddel
- XT-Forums-Guru

- Beiträge: 2189
- Registriert: Do Jan 12, 2017 13:30
- Wohnort: Nämberch
Re: Abblend- & Fernlicht: mal da, mal nicht
In welcher Stellung des HI/LO Schalters?Wenn ich den Lichtschalter auf "on" schiebe, wird die Instrumentenbeleuchtung sehr schwach und die Fernlichtkontrollleuchte geht an.
Bei laufendem Motor?
Bei HI ist das Leuchten der Fernlichtkontrollleuchte ja recht normal...
Wenn die Masse deiner Scheinwerferbirne keinen Kontakt hat könnten die beschriebenen Phänomene auftreten.
• Der Scheinwerfer leuchtet nicht.
• Dann zieht sich die Fernlichtkontrollleuchte Ström über beide Wendeln der Scheinwerferbirne ohne das die leuchtet.
• eventuell hat das dann auch über den Lenkerschalter und "blau" auch Einfluss auf die Instrumentenbeleuchtung. Das bekomme ich aber müderweise jetzt nicht ganz fertiggedacht.
--> Check doch mal den Doppelstecker am schwarzen Kabel in der Lampe
--> und den schwarzen Anschluss der Scheinwerferbirne,
--> und teste ob an dem Doppelstecker Masse anliegt.
Gruß
Woddel

- motorang
- Fleißiger Forums-Guru

- Beiträge: 4890
- Registriert: Mo Aug 25, 2003 16:45
- Wohnort: Graz, Österreich
- Kontaktdaten:
Re: Abblend- & Fernlicht: mal da, mal nicht
Seltsam, weil
Scheinwerfer = Wechselstrom
Lichtschalter = Gleichstrom/Batterie/Sicherung
Mein Tipp mit dem Lichtschalter bleibt ... übers Zündschloss und den Lichtschalter laufen beide Stromkreise.
Eventuell sind es halt zwei unabhängig voneinander auftretende Fehler.
Und Du hast vorher nirgends dran rumgeschraubt? Ein WInterstandschaden?
Gryße!
Andreas, der motorang
Scheinwerfer = Wechselstrom
Lichtschalter = Gleichstrom/Batterie/Sicherung
Mein Tipp mit dem Lichtschalter bleibt ... übers Zündschloss und den Lichtschalter laufen beide Stromkreise.
Eventuell sind es halt zwei unabhängig voneinander auftretende Fehler.
Und Du hast vorher nirgends dran rumgeschraubt? Ein WInterstandschaden?
Gryße!
Andreas, der motorang
Die häufigsten Ursachen für Vergaserprobleme finden sich im Zündungsbereich * Bucheli-Projekt
-
BRG
- Fleißiger Poster

- Beiträge: 127
- Registriert: Mi Jun 11, 2003 20:41
Re: Abblend- & Fernlicht: mal da, mal nicht
Also:
-im Lampentopf bei Sichtprüfung nix zu entdecken
- egal in welcher Stellung des Hi/Low-Schalters
- Scheinwerfer hat Masse
- bei laufendem Motor wird's schwach & HI-Kontrollleuchte geht an,
bei stehendem Motor wird's einfach dunkel in den Instrumenten
- Lichtschalter nach Sichtprüfung okay
-im Lampentopf bei Sichtprüfung nix zu entdecken
- egal in welcher Stellung des Hi/Low-Schalters
- Scheinwerfer hat Masse
- bei laufendem Motor wird's schwach & HI-Kontrollleuchte geht an,
bei stehendem Motor wird's einfach dunkel in den Instrumenten
- Lichtschalter nach Sichtprüfung okay
You know what I like - so get on yer bike!
-
BRG
- Fleißiger Poster

- Beiträge: 127
- Registriert: Mi Jun 11, 2003 20:41
Re: Abblend- & Fernlicht: mal da, mal nicht
Vorher hatte ich, wie bereits geschrieben, ein abgeschmortes Kabel ersetzt, das für Totalausfall gesorgt hatte. Zeitnah danach fing der beschriebene Fehler an. Kein Standschaden.
You know what I like - so get on yer bike!
- woddel
- XT-Forums-Guru

- Beiträge: 2189
- Registriert: Do Jan 12, 2017 13:30
- Wohnort: Nämberch
Abblend- & Fernlicht: mal da, mal nicht
Ich bleib mal dabei. Wenn die Hi Kontrolleuchte egal welche Schalterstellung leuchtet dann muss sie ja irgendwie Strom bekommen.
Ein Pol geht an Masse.
Ist der tot leuchtet sie nicht.
Der andere Pol geht an die Scheinwerferbirne. (Gelb)
Wenn es unabhängig von der HI/LO Stellung ist muss meiner Meinung nach der Strom über beide Glühwendeln kommen und Masse an der Scheinwerferbirne tot sein.
Der Strom fließt dann je nach HI/LO Stellung entweder direkt über gelb zum HI/LO Sschslter oder über gelb durch die Wendeln zu grün und dann zum Schalter. Deshalb ist die Stellung Wurst. Für die Kontrollampe stellen die zwei Wendeln keinen nennenswerten Wiederstand dar.
Vom Schalter geht’s dann in jedem Falle weiter in blau.
Das betrachtet jetzt primär das der Scheinwerfer nicht leuchtet und die Fernlichtkontrollampe bei jeder HI/LO Stellung wenn Licht ON.
Gesendet von iPhone mit Tapatalk
Ein Pol geht an Masse.
Ist der tot leuchtet sie nicht.
Der andere Pol geht an die Scheinwerferbirne. (Gelb)
Wenn es unabhängig von der HI/LO Stellung ist muss meiner Meinung nach der Strom über beide Glühwendeln kommen und Masse an der Scheinwerferbirne tot sein.
Der Strom fließt dann je nach HI/LO Stellung entweder direkt über gelb zum HI/LO Sschslter oder über gelb durch die Wendeln zu grün und dann zum Schalter. Deshalb ist die Stellung Wurst. Für die Kontrollampe stellen die zwei Wendeln keinen nennenswerten Wiederstand dar.
Vom Schalter geht’s dann in jedem Falle weiter in blau.
Das betrachtet jetzt primär das der Scheinwerfer nicht leuchtet und die Fernlichtkontrollampe bei jeder HI/LO Stellung wenn Licht ON.
Gesendet von iPhone mit Tapatalk

- woddel
- XT-Forums-Guru

- Beiträge: 2189
- Registriert: Do Jan 12, 2017 13:30
- Wohnort: Nämberch
Re: Abblend- & Fernlicht: mal da, mal nicht
Frage: der Regler hängt an Blau?Die Elektrik ist bis auf den Ami-Plug-and- Play-Regler (12V, blaues Kabel), H4-Licht sowie einer Blei-Gel-Bakterie original belassen.
Ich würde mich über konstruktive Tipps freuen.
Danke & Grüße, Heimo
Das ist ziemlich sicher falsch.
Gelb-Weiß wäre serienmäßig.

-
BRG
- Fleißiger Poster

- Beiträge: 127
- Registriert: Mi Jun 11, 2003 20:41
Re: Abblend- & Fernlicht: mal da, mal nicht
Nein, ich meine damit, dass es der Regler mit dem blauen Kabel, statt des original gelben, ist.
You know what I like - so get on yer bike!
- woddel
- XT-Forums-Guru

- Beiträge: 2189
- Registriert: Do Jan 12, 2017 13:30
- Wohnort: Nämberch
Re: Abblend- & Fernlicht: mal da, mal nicht
Dumme Frage in die Runde - den Schaltplänen nach ist die Instrumentenbeleuchtung Wechselbestromt?
Bei mir nicht.
Kann aber sein das ich das ganz früher mal umgebaut habe....
Bei mir nicht.
Kann aber sein das ich das ganz früher mal umgebaut habe....

- xtrack
- XT-Forums-Guru

- Beiträge: 1447
- Registriert: Do Okt 27, 2016 11:25
- Wohnort: B/W
Re: Abblend- & Fernlicht: mal da, mal nicht
So einen Ami Regler habe ich verkauft,
ja da kam ein Kabel raus BLAU.
Du brauchst aber noch eine Gleichrichter Diode.
LG xtrack
ja da kam ein Kabel raus BLAU.
Du brauchst aber noch eine Gleichrichter Diode.
LG xtrack
Wer ist online?
Mitglieder in diesem Forum: Bing [Bot], Google [Bot] und 3 Gäste