Hallo Gemeinde,
bin gerade dabei eine Aufstellung nach Bj. der verschiedenen E-Teile, unter anderem Kabelbäume und Zündschlösser zusammenzustellen, habe eigentlich "fast" alles zusammen, aber mir fehlt jetzt noch ein Schaltplan/Stromlaufplan vom Bj.1978-85...also Zündschloß mit zwei mehrfach belegte Stecker und Lenkerschalter mit einem mehrfach belegten Stecker) hat jemand sowas in seinen Unterlagen?
Gruß Ralle
Schaltplan Bj.1978-85
- Ralle
- XT-Forums-Guru

- Beiträge: 2408
- Registriert: Mo Feb 02, 2004 9:51
- Wohnort: 49393 Lohne
Schaltplan Bj.1978-85
Einmal XT....immer XT
- Frank M
- 5000+ Club

- Beiträge: 7128
- Registriert: So Jun 01, 2003 1:11
- Wohnort: Dettum
Re: Schaltplan Bj.1978-85
sowas?
- Ralle
- XT-Forums-Guru

- Beiträge: 2408
- Registriert: Mo Feb 02, 2004 9:51
- Wohnort: 49393 Lohne
Re: Schaltplan Bj.1978-85
hab ihn mittlerweile auch gefunden, trotzdem danke!...hab bis jetzt für die XT 15 verschiedene Kabelbäume, 4 Zündschlösser, 4 Lenkerschalter, 3 Regler, 4 Blinkrelais, 2 Gleichrichter und 2 Fussbremslichtschalter ausfindig machen können, gabs da wohl noch mehr?
Gruß Ralle
Gruß Ralle
Zuletzt geändert von Ralle am So Nov 22, 2015 9:47, insgesamt 1-mal geändert.
Einmal XT....immer XT
- Woitas
- Fleißiger Poster

- Beiträge: 106
- Registriert: Mi Jun 08, 2005 9:01
- Wohnort: Wuppertal
Re: Schaltplan Bj.1978-85
Hallo zusammen,
hat jemand so einen tollen Schaltplan auch in Deutsch....?
Vielen Dank
Gruß
Michael
hat jemand so einen tollen Schaltplan auch in Deutsch....?
Vielen Dank
Gruß
Michael
Meine Norton Comando habe ich 2012 verkauft, XT 500 fahre ich immer noch!!!!
-
XTfant
Re: Schaltplan Bj.1978-85
Hi
Nur einen für das Baujahr 86 und
einen, bei dem ich nicht weiß, für welches Baujahr er ist.
Da ich leider von Elektrik (und nicht nur von der) keine Ahnung habe...
LG
XTfant
Nur einen für das Baujahr 86 und
einen, bei dem ich nicht weiß, für welches Baujahr er ist.
Da ich leider von Elektrik (und nicht nur von der) keine Ahnung habe...
LG
XTfant
Zuletzt geändert von XTfant am Mi Nov 18, 2015 17:56, insgesamt 2-mal geändert.
-
Karsten K
- XT-Forums-Guru

- Beiträge: 1016
- Registriert: Fr Dez 29, 2006 11:14
- Wohnort: Kreuztal
Re: Schaltplan Bj.1978-85
Torsten hat ein paar Schaltpläne
http://www.ratpak.de/depot/spip.php?rubrique26
http://www.ratpak.de/depot/spip.php?rubrique26
- Ralle
- XT-Forums-Guru

- Beiträge: 2408
- Registriert: Mo Feb 02, 2004 9:51
- Wohnort: 49393 Lohne
Re: Schaltplan Bj.1978-85
Hallo Michael,
den Schaltplan Bj.1978-85 hab ich auch nur in französisch, habe in meinen sämtlichen Unterlagen wie Betriebsanleitungen, Montageanweisungen, Rep. Anleitungen etc. nachgsehen und das sind nicht wenige
...den gibt es wohl nicht in deutsch
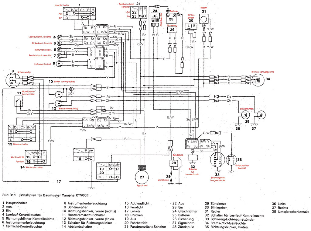
@XTfant: Der untere Schaltplan (XT500 E) steht so auch in der ersten Bucheli Ausgabe (XT500 Bj.1975-79) ist zwar mit deutschem Text, aber es ist der Schaltplan der US XT Bj.1978/79 (Lenkerschalter mit nur einem Anschlussstecker, Zündschloß auch und mit nur zwei Schalterstellungen (on/off).
Gruß Ralle
den Schaltplan Bj.1978-85 hab ich auch nur in französisch, habe in meinen sämtlichen Unterlagen wie Betriebsanleitungen, Montageanweisungen, Rep. Anleitungen etc. nachgsehen und das sind nicht wenige
@XTfant: Der untere Schaltplan (XT500 E) steht so auch in der ersten Bucheli Ausgabe (XT500 Bj.1975-79) ist zwar mit deutschem Text, aber es ist der Schaltplan der US XT Bj.1978/79 (Lenkerschalter mit nur einem Anschlussstecker, Zündschloß auch und mit nur zwei Schalterstellungen (on/off).
Gruß Ralle
Zuletzt geändert von Ralle am So Nov 22, 2015 18:00, insgesamt 1-mal geändert.
Einmal XT....immer XT
Zurück zu „Dies und das [off topic]“
Wer ist online?
Mitglieder in diesem Forum: Ahrefs [Bot] und 1 Gast