Seite 1 von 1
Seitenständerhalterung am Rahmen anbringen
Verfasst: Do Mär 26, 2020 19:21
von budsbest
Hi,
der globige Buzzetti muss endlich weg. Leider ist die originale Halterung für den Seitenständer weg.
Wer von euch hat einen weisen Vorschlag? Gerne auch Out of the box.
Im Anhang Bilder.
VG
budsbest
Re: Seitenständerhalterung am Rahmen anbringen
Verfasst: Do Mär 26, 2020 19:24
von Mambu
...Bilder?
Entsprechendes Blech anbraten...
Da war doch dieser Schlachtrahmen letztens...
Herzliche Grüße
Mambu
Re: Seitenständerhalterung am Rahmen anbringen
Verfasst: Do Mär 26, 2020 19:25
von Mambu
...ahjetztja!
Re: Seitenständerhalterung am Rahmen anbringen
Verfasst: Do Mär 26, 2020 20:05
von AndreasXT600
Denke auch an einen Rahmen als "Spender". Wobei du da sicher sein kannst, dass das Blech zur Aufnahme etwas Zuwendung braucht.
Re: Seitenständerhalterung am Rahmen anbringen
Verfasst: Do Mär 26, 2020 20:15
von Frank M
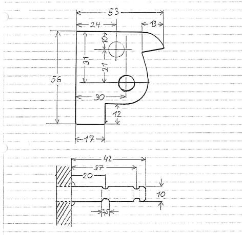
nicht von mir und nicht ganz vollständig, aber immerhin...
Re: Seitenständerhalterung am Rahmen anbringen
Verfasst: Do Mär 26, 2020 22:22
von Mr. Polish
Ich würde das auch lieber neu machen, wenn eh schon nix vorhanden ist. Ein Spenderteil kann vielleicht als zusätzliche Schablone/Kontrolle dienen...
Gruß, Fabi
Re: Seitenständerhalterung am Rahmen anbringen
Verfasst: Do Mär 26, 2020 23:11
von Mambu
...da steht ja dem Neubau der Ständeraufnahme nichts mehr im Wege...
Herzliche Grüße
Mambu
Re: Seitenständerhalterung am Rahmen anbringen
Verfasst: Fr Mär 27, 2020 8:28
von PeJo
nicht von mir und nicht ganz vollständig, aber immerhin...
Seitenstaenderhalter.JPG
Danke Frank,
das ist von mir, hab sogar noch irgendwo den über 25 Jahren alten originalen Zettel rumliegen
