XT und Licht

In diesem Forum geht es um das Umbauen der XT (Gabel, Bremse, Tank, Sitzbank, ...)
Rossford688
Wenigposter
Wenigposter
Beiträge: 6
Registriert: Di Jan 07, 2014 17:14

XT und Licht

Beitragvon Rossford688 » Di Jan 07, 2014 18:01

Hi Leute,
Ich bin neu hier und hab schon mal die erste Frage.
Ich hab seit 25 Jahren ne 81' er XT, hab sie 3 Jahre gefahren und dann ins Eck gestellt und dann "vergessen",
Dann kam vor 3 Jahren die Erleuchtung, ich restaurier sie.
Das hab dann auch gemacht, nun meine Frage: brennt das Abblend/fernlicht wenn der Motor aus ist oder nicht. :/ :/ :?
Das zündschloss ist natürlich auf Licht an.
P.S. Ich kann mich einfach nicht mehr daran erinnern

caferacer
Fleißiger Forums-Guru
Fleißiger Forums-Guru
Beiträge: 3244
Registriert: Fr Sep 28, 2007 15:41

Re: XT und Licht

Beitragvon caferacer » Di Jan 07, 2014 18:13

Servus und Willkommen,
wenn der Motor aus ist, geht bei einer originalen XT500 (6V+12V Version) kein Abblend/Fernlicht.
Gruß
Thomas

Rossford688
Wenigposter
Wenigposter
Beiträge: 6
Registriert: Di Jan 07, 2014 17:14

Re: XT und Licht

Beitragvon Rossford688 » Di Jan 07, 2014 20:09

Geiler Scheiß, dann waren die Letzten 40 Stunden ja nur zur Übung,
Ist die Kockpitbeleuchtung auch nur bei laufenden Motor an ?

Vielen Dank :dance :dance :dance

Benutzeravatar
Hiha
5000+ Club
5000+ Club
Beiträge: 6465
Registriert: Mo Jun 02, 2003 6:23
Wohnort: Neubiberg b. München

Re: XT und Licht

Beitragvon Hiha » Di Jan 07, 2014 20:17

Jo, so isses. Cockpit hängt da mit dran. Hast keinen Schaltplan? :mrgreen:

Gruß
Hans

caferacer
Fleißiger Forums-Guru
Fleißiger Forums-Guru
Beiträge: 3244
Registriert: Fr Sep 28, 2007 15:41

Re: XT und Licht

Beitragvon caferacer » Di Jan 07, 2014 20:58

Falls noch das original Zündschloss verbaut ist und ansonsten nix rumgefrickelt wurde, leuchtet die Instrumentenbeleuchtung bei der 81iger sobald man den Zündschlüssel auf die 3te Stellung stellt.
Denk aber dran, daß bei Deinem Modell sich auch das Licht noch über den linken Lenkerschalter bedienen läßt, d.h. Du kannst sowohl über das Zündschloss (Stellung 3) als auch über den Lenkerschalter das Licht aus -und einschalten. Wie schon geschrieben, sobald der Motor läuft hast Du dann auch Licht.
LG
Thomas
P.S.: Und hier noch ein Link mit Kabelplan:
http://www.ratpak.de/depot/spip.php?article143

Rossford688
Wenigposter
Wenigposter
Beiträge: 6
Registriert: Di Jan 07, 2014 17:14

Re: XT und Licht

Beitragvon Rossford688 » Di Jan 07, 2014 21:13

Ja ich hab nen Schaltplan, aber ich habe 5 Adern die aus dem Zündschloss kommen.
Den Plan-link den ihr mir geschickt habt ist mit dem Zündschloss 4-adrig.
Trotzdem danke

Benutzeravatar
Frank M
5000+ Club
5000+ Club
Beiträge: 7148
Registriert: So Jun 01, 2003 1:11
Wohnort: Dettum

Re: XT und Licht

Beitragvon Frank M » Di Jan 07, 2014 21:37

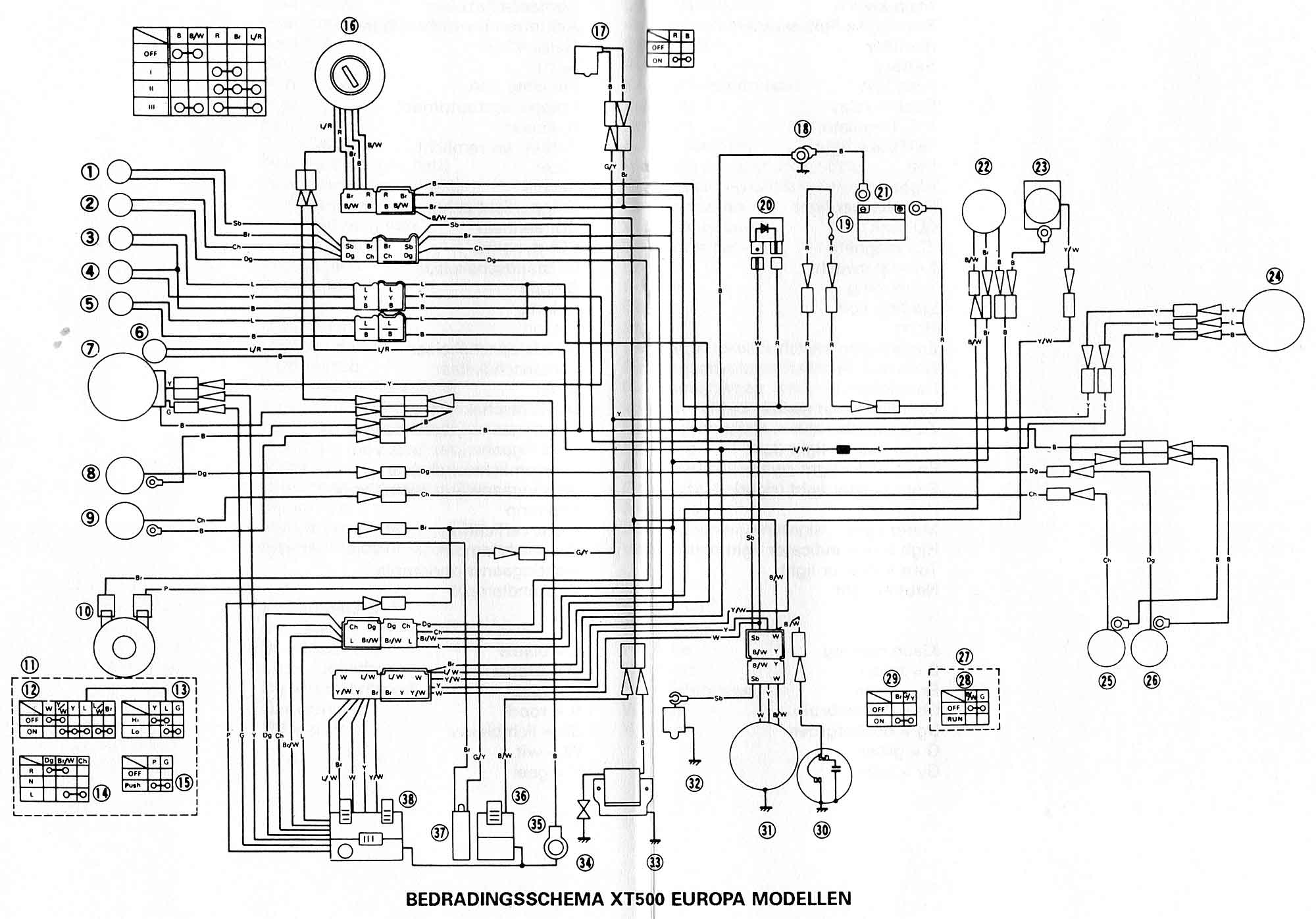
5-adriges Zündschloss, passt das besser?
XT500-europa-schema.jpg

Rossford688
Wenigposter
Wenigposter
Beiträge: 6
Registriert: Di Jan 07, 2014 17:14

Re: XT und Licht

Beitragvon Rossford688 » Di Jan 07, 2014 22:28

Hey cool,
Danke :wink:

Rossford688
Wenigposter
Wenigposter
Beiträge: 6
Registriert: Di Jan 07, 2014 17:14

Re: XT und Licht

Beitragvon Rossford688 » Do Jan 09, 2014 22:14

Guten Abend Leute,
Vaddi hat's geschafft, sogar die Blinker gehen.

Benutzeravatar
Bertel
Fleißiger Poster
Fleißiger Poster
Beiträge: 299
Registriert: Mo Dez 29, 2008 16:25
Wohnort: Frettenheim

Re: XT und Licht

Beitragvon Bertel » Mo Jan 20, 2014 21:44

Geiler Scheiß, dann waren die Letzten 40 Stunden ja nur zur Übung,
Ist die Kockpitbeleuchtung auch nur bei laufenden Motor an ?

Vielen Dank :dance :dance :dance
Cockpitbeleuchtung geht auch über Gleichstrom (Batterie), wenn man das Zündschloss in Pos. Licht und den Lichtschalter am Lenkerschalter auf Off hat.

Gruß
Bert
XT500 / XJ900N&F - Weil das Leben zu kurz für nur ein Motorrad ist.


Zurück zu „Umbau“

Wer ist online?

Mitglieder in diesem Forum: Ahrefs [Bot], Google [Bot] und 3 Gäste