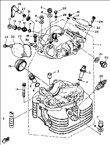
die Explosionszeichnungen brachten mich nicht weiter. Was ist das für eine Schraube (Bild, Kreis) und welche Funktion hat die? Denn der Sockel der DZM-Welle reicht bis dahin gar nicht. Lediglich der Wellendraht, der aber kann keinen direkten Kontakt zu der Schraube haben, wär ja auch unsinnig
Bin gerade auf der Suche nach dezentem Ölaustritt dort oben irgendwo...
Dank + Gruß,
Osey




