Zündschloss
- motorang
- Fleißiger Forums-Guru

- Beiträge: 4890
- Registriert: Mo Aug 25, 2003 16:45
- Wohnort: Graz, Österreich
- Kontaktdaten:
Re: Zündschloss
Man möge mich korrigieren, aber:
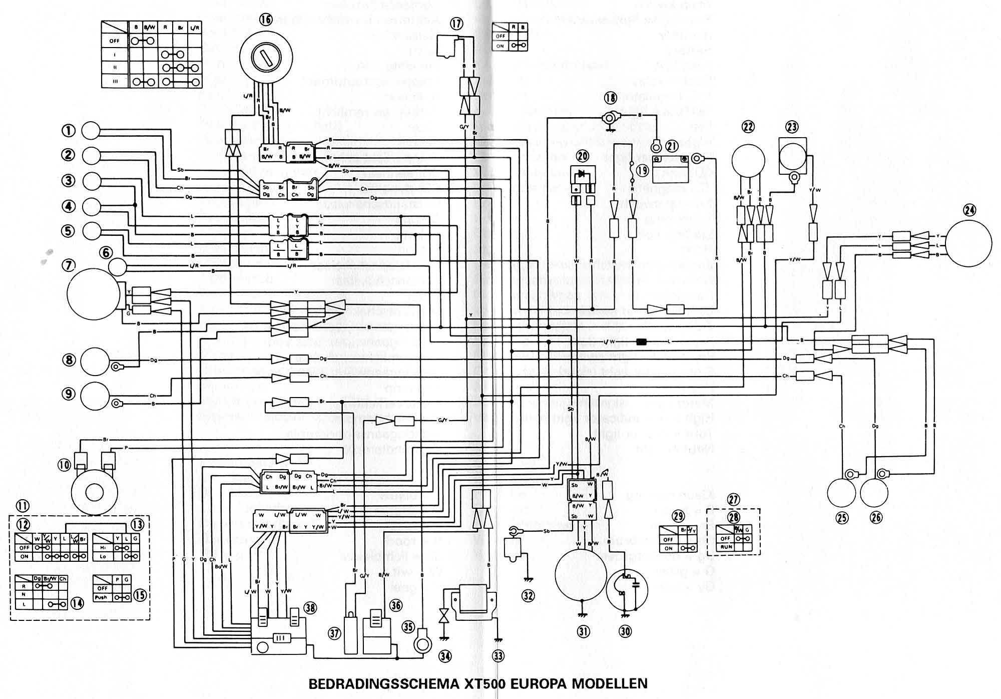
Es gab meiner Erinnerung nach frühe XTs mit 6-poligem Zündschloss (OFF-ON-ON+Licht-Park), da war Scheinwerfer ein/aus im Zündschloss integriert und nicht im Lenkerschalter. Dort erfolgte eben auch die Reglerumschaltung.
Und späte XTs mit 4-poligem Zündschloss, da wurde der Scheinwerfer nicht im Zündschloss geschalten (eine Schlüsselstellung weniger: OFF, ON, Park) aber dafür im Lenkerschalter (eine Schalterstellung mehr).
Mischen geht nur bedingt. Irgendwer muss bei einer 6V-XT den Regler hin- und herschalten. Sonst ist entweder die Batterie leer oder der Scheinwerfer brennt durch.
Gryße!
Andreas, der motorang
Es gab meiner Erinnerung nach frühe XTs mit 6-poligem Zündschloss (OFF-ON-ON+Licht-Park), da war Scheinwerfer ein/aus im Zündschloss integriert und nicht im Lenkerschalter. Dort erfolgte eben auch die Reglerumschaltung.
Und späte XTs mit 4-poligem Zündschloss, da wurde der Scheinwerfer nicht im Zündschloss geschalten (eine Schlüsselstellung weniger: OFF, ON, Park) aber dafür im Lenkerschalter (eine Schalterstellung mehr).
Mischen geht nur bedingt. Irgendwer muss bei einer 6V-XT den Regler hin- und herschalten. Sonst ist entweder die Batterie leer oder der Scheinwerfer brennt durch.
Gryße!
Andreas, der motorang
Die häufigsten Ursachen für Vergaserprobleme finden sich im Zündungsbereich * Bucheli-Projekt
- motorang
- Fleißiger Forums-Guru

- Beiträge: 4890
- Registriert: Mo Aug 25, 2003 16:45
- Wohnort: Graz, Österreich
- Kontaktdaten:
Re: Zündschloss
Zeig mal den Regler her. Was steht denn drauf? Wo steht dass das ein 6V-Regler ist?
Welche Kabel sind angeschlossen?
Wieviele Kabel kommen aus der Lichtmaschine und welche Faben haben die?
Gryße!
Andreas, der motorang
Welche Kabel sind angeschlossen?
Wieviele Kabel kommen aus der Lichtmaschine und welche Faben haben die?
Gryße!
Andreas, der motorang
Die häufigsten Ursachen für Vergaserprobleme finden sich im Zündungsbereich * Bucheli-Projekt
- Frank M
- 5000+ Club

- Beiträge: 7160
- Registriert: So Jun 01, 2003 1:11
- Wohnort: Dettum
Re: Zündschloss
das dürfte dann dieser sein:
Sowas hab ich an meiner 77er. Aus der Erinnerung leuchtete die Standlicht- und Rücklichtlampe erst ab Stellung 2.
OFF = Zündstrom auf Masse, Bordnetz AUS
1 = Zündstrom auf Masse aufgehoben, Bordnetz unter Batteriestrom
2 = zusätzlich Standlicht- und Rücklichtlampe an
3 = Zündstrom auf Masse, Batteriestrom auf Standlicht- und Rücklichtlampe (Parklicht)
Im Lenkerschalter wurde der Scheinwerfer AN und AUS geschaltet.
Bei ausgeschaltetem Scheinwerfer wird der direkt verdrahtete Scheinwerfer-Wechselstrom aus der Lima im Lenkerschalter auf Y/W zum Regler geschaltet und dann auch zum Laden der Batterie verwendet.
Sowas hab ich an meiner 77er. Aus der Erinnerung leuchtete die Standlicht- und Rücklichtlampe erst ab Stellung 2.
OFF = Zündstrom auf Masse, Bordnetz AUS
1 = Zündstrom auf Masse aufgehoben, Bordnetz unter Batteriestrom
2 = zusätzlich Standlicht- und Rücklichtlampe an
3 = Zündstrom auf Masse, Batteriestrom auf Standlicht- und Rücklichtlampe (Parklicht)
Im Lenkerschalter wurde der Scheinwerfer AN und AUS geschaltet.
Bei ausgeschaltetem Scheinwerfer wird der direkt verdrahtete Scheinwerfer-Wechselstrom aus der Lima im Lenkerschalter auf Y/W zum Regler geschaltet und dann auch zum Laden der Batterie verwendet.
- XTFRO
- XT-Forums-Guru

- Beiträge: 1290
- Registriert: Do Sep 18, 2014 12:46
- Wohnort: Rüsselsheim am Main
Re: Zündschloss
Unser Schlork braucht sich wegen der Umschalterei der beiden Lichtspulenausgänge zum Regler keine Gedanken mehr zu machen, wenn er bereits zwecks Umstellung auf 12 Volt einen Röbi-Regler bestellt hat, da entfällt das ja.
Damals hat man das wohl für die ziemlich schwächelnde 6V-Anlage eingerichtet, um den Spannungsabfall infolge zugeschalteter Scheinwerferlast auszugleichen, damit der Akku noch genügend Ladespannung kriegt beim Fahren mit Licht …
Dieser Schwarz-Weiß-Schaltplan findet sich übrigens genauso schon im Werkstatt-Handbuch für die XT500(C) von 1976 und galt für einige Länder in Europa, außer für Deutschland(?). Für Deutschland und ein paar andere Regionen weltweit ist ein abgewandelter Plan enthalten, mit vierpoligem Zündschloss, welches nur zwei Schaltstellungen zulässt!?
Für die Zündschlossposition 3 bei der '77er XT kann man sich eventuell noch Bedarfsfälle denken, aber wofür Position 2 sein sollte, dazu fällt mir aus heutiger Sicht gerade nix Sinnvolles ein!?
Damals hat man das wohl für die ziemlich schwächelnde 6V-Anlage eingerichtet, um den Spannungsabfall infolge zugeschalteter Scheinwerferlast auszugleichen, damit der Akku noch genügend Ladespannung kriegt beim Fahren mit Licht …
Dieser Schwarz-Weiß-Schaltplan findet sich übrigens genauso schon im Werkstatt-Handbuch für die XT500(C) von 1976 und galt für einige Länder in Europa, außer für Deutschland(?). Für Deutschland und ein paar andere Regionen weltweit ist ein abgewandelter Plan enthalten, mit vierpoligem Zündschloss, welches nur zwei Schaltstellungen zulässt!?
Für die Zündschlossposition 3 bei der '77er XT kann man sich eventuell noch Bedarfsfälle denken, aber wofür Position 2 sein sollte, dazu fällt mir aus heutiger Sicht gerade nix Sinnvolles ein!?
- motorang
- Fleißiger Forums-Guru

- Beiträge: 4890
- Registriert: Mo Aug 25, 2003 16:45
- Wohnort: Graz, Österreich
- Kontaktdaten:
Re: Zündschloss
Mit Röbiregler ist die Umschalterei nicht mehr nötig - WELCHES kabel man dann aber anschließen und welches man weglassen kann wär schon gut zu wissen. Hier die Einbauanleitung:
http://www.motorang.com/roebi/Umbau_XT5 ... er_neu.pdf
Wenn der Regler falsch angeschlossen wird sind 200 Euro weg.
Gryße!
Andreas, der motorang
http://www.motorang.com/roebi/Umbau_XT5 ... er_neu.pdf
Wenn der Regler falsch angeschlossen wird sind 200 Euro weg.
Gryße!
Andreas, der motorang
Die häufigsten Ursachen für Vergaserprobleme finden sich im Zündungsbereich * Bucheli-Projekt
- XTFRO
- XT-Forums-Guru

- Beiträge: 1290
- Registriert: Do Sep 18, 2014 12:46
- Wohnort: Rüsselsheim am Main
Re: Zündschloss
Dieses Plänchen nicht zu vergessen!
Weiß es jetzt nicht mehr so genau, verschickt Robert diese Unterlagen eigentlich mitsamt seinen Reglern, oder geht er davon aus, dass die Leute sich die Sachen selbst aus dem Bucheli-Projekt herunterladen?
-
schlork
- XT500-Online-Berater

- Beiträge: 626
- Registriert: Do Mär 21, 2019 13:33
Re: Zündschloss
So ich habe jetzt mal 2 Stunden in der Werkstatt verbracht und den Ist Zustand aufgezeichnet. Hoffe man kann das lesen.Tatsächlich geht nur ein einziges Kabel vom Regler weg, die anderen beiden kommen vom Gleichrichter.
Desweiteren noch ein paar Bilder. Muss jetzt mal eure Pläne anschauen.
Vielen Dank mal an Alle!
Desweiteren noch ein paar Bilder. Muss jetzt mal eure Pläne anschauen.
Vielen Dank mal an Alle!
- motorang
- Fleißiger Forums-Guru

- Beiträge: 4890
- Registriert: Mo Aug 25, 2003 16:45
- Wohnort: Graz, Österreich
- Kontaktdaten:
Re: Zündschloss
OK, sehr brav! Klasse gemacht!
Da ist nur das Licht geregelt.
Die Gleichstromseite ist auf Dauerstrom.
Nachteil: wenn Du ohne Licht fährst verkocht die Batterie. Wenn Du immer mit Licht fährst bleibt zu wenig Strom für die Batterieladung (je nach Fahrweise halt).
Die XT war nicht dafür konzipiert ständig mit Scheinwerfer zu fahren. Den brauchte man nur für nachts, zum Heimkommen, oder in Tunnels
Ansonsten hat man das abgeschaltet, der Regler regelte dann den Ladekreislauf, und die Batterie wurde ordentlich geladen.
In Deinem Fall und hinsiochtlich Röbiregler:
Entweder einen Kippschalter vor die Batterie setzen oder dort die Gleichstromanschlüsse von 4-poligen Zündschloss dran, die Kabelfarbe passt eh schon (rot/braun).
Den Rest muss ich mir in Ruhe anschauen. Eventuell war da gar keine Batterie drin (außer für den Verkauf) sondern ein Batterieeliminator (geplant).
Sicherung ist keine drin.
Und lila = schwarz-weiß. Das derzeitige Zündschloss schaltet nur die Zündung ab, das zweite Lila Kabel führt einfach weiter zum Killschalter.
Das Oberteil vom Lichtschalter wäre aussagekräftiger, wo man die Schalterstellungen erkennt. Den Regler muss ein anderer googeln, ich muss jetzt einkaufen fahren
Gryße!
Andreas, der motorang
Da ist nur das Licht geregelt.
Die Gleichstromseite ist auf Dauerstrom.
Nachteil: wenn Du ohne Licht fährst verkocht die Batterie. Wenn Du immer mit Licht fährst bleibt zu wenig Strom für die Batterieladung (je nach Fahrweise halt).
Die XT war nicht dafür konzipiert ständig mit Scheinwerfer zu fahren. Den brauchte man nur für nachts, zum Heimkommen, oder in Tunnels
Ansonsten hat man das abgeschaltet, der Regler regelte dann den Ladekreislauf, und die Batterie wurde ordentlich geladen.
In Deinem Fall und hinsiochtlich Röbiregler:
Entweder einen Kippschalter vor die Batterie setzen oder dort die Gleichstromanschlüsse von 4-poligen Zündschloss dran, die Kabelfarbe passt eh schon (rot/braun).
Den Rest muss ich mir in Ruhe anschauen. Eventuell war da gar keine Batterie drin (außer für den Verkauf) sondern ein Batterieeliminator (geplant).
Sicherung ist keine drin.
Und lila = schwarz-weiß. Das derzeitige Zündschloss schaltet nur die Zündung ab, das zweite Lila Kabel führt einfach weiter zum Killschalter.
Das Oberteil vom Lichtschalter wäre aussagekräftiger, wo man die Schalterstellungen erkennt. Den Regler muss ein anderer googeln, ich muss jetzt einkaufen fahren
Gryße!
Andreas, der motorang
Die häufigsten Ursachen für Vergaserprobleme finden sich im Zündungsbereich * Bucheli-Projekt
-
schlork
- XT500-Online-Berater

- Beiträge: 626
- Registriert: Do Mär 21, 2019 13:33
Re: Zündschloss
Doch die hängt an der Batterie, das müsste laut Plan schon stimmen.Sicherung ist keine drin.
Das würde erklären, warum die Batterie staubtrocken war. (Allerdings ist sie auch jahrelang gestanden)Die Gleichstromseite ist auf Dauerstrom.
Nachteil: wenn Du ohne Licht fährst verkocht die Batterie.
ich bin echt froh, dass ich hier von euch soll toll Hilfe bekomme, auch wenn ich, zumindest bei Elektrik, wenig Ahnung habe.
Mein Verständnis ist jetzt, dass die Zündungsgeschichte mit Zündschloss schon so gepasst hat, das würde ich jetzt genauso wieder verkabeln, natürlich unter Berücksichtigung vom Röbi. Ich würde das im Plan abändern und vor Test von Euch absegnen lassen.
Den Gleichstrom würde ich im Prinzip auch so lassen, blos zuerst den Plus über die zweite Seite im Zündschloss.
Was ich noch nicht ganz verstehe ist folgender Satz von Röbi:
Code: Alles auswählen
Das gelb/weiße Kabel der XT, das vorher an den
Original-6 V-Regler ging, wird nicht mehr benötigt. Der
Steckkontakt bleibt einfach offen.Dann zeigt er aber diese Skizze: Hier ist doch das gelbe Kabel in die Elektrik integriert?
- motorang
- Fleißiger Forums-Guru

- Beiträge: 4890
- Registriert: Mo Aug 25, 2003 16:45
- Wohnort: Graz, Österreich
- Kontaktdaten:
Re: Zündschloss
Hi,
in Deinem Plan ist halt keine Sicherung zu sehen
Wegen dem Röbiregler:
schau Dir Deinen selbst gezeichneten Schaltplan an. Dort entfernst Du den Regler und isolierst dessen Anschluss (gelb). Im Originalkabelbaum ist der Anschluss gelb-weiß. Im Röbiplan links oben zu sehen, da erkennt man auch die nicht mehr benötigte Umschaltung gleichzeitig mit dem Licht.
Der Röbiregler wird dann anstelle des Gleichrichters eingebaut (weiß und rot sind schon dort, eine Masseleitung legst Du extra). Der vorhandene Gleichrichter entfällt, weil der beim Röbiregler bereits integriert ist.
Gryße!
Andreas, der motorang
in Deinem Plan ist halt keine Sicherung zu sehen
Wegen dem Röbiregler:
schau Dir Deinen selbst gezeichneten Schaltplan an. Dort entfernst Du den Regler und isolierst dessen Anschluss (gelb). Im Originalkabelbaum ist der Anschluss gelb-weiß. Im Röbiplan links oben zu sehen, da erkennt man auch die nicht mehr benötigte Umschaltung gleichzeitig mit dem Licht.
Der Röbiregler wird dann anstelle des Gleichrichters eingebaut (weiß und rot sind schon dort, eine Masseleitung legst Du extra). Der vorhandene Gleichrichter entfällt, weil der beim Röbiregler bereits integriert ist.
Gryße!
Andreas, der motorang
Die häufigsten Ursachen für Vergaserprobleme finden sich im Zündungsbereich * Bucheli-Projekt
-
schlork
- XT500-Online-Berater

- Beiträge: 626
- Registriert: Do Mär 21, 2019 13:33
Re: Zündschloss
So ich bin jetzt fertig mit meiner kompletten Neuverkabelung, denn das war es letztendlich, obwohl das vorher so schlecht gar nicht aussah. Ich habe versucht das vereinfacht zu dokumentieren, weil Leute wie mich so ein richtiger gezeichneter Schaltplan eher abschreckt, weil zu komplex. Ich habe jetzt den Röbi Regler integriert und evtl. ist es auchfür andere Elektrik Laien so etwas einfacher zu verstehen. Die Kabelfarben sind so wie sie bei mir sind und haben letztendlich nicht mehr viel mit dem Original zu tun. Es scheint alles zu funktionieren, allerdings mein elektronischer Koso Tacho scheint die Elektrik nicht so zu mögen. Das Neutral Licht Geht schon ohne laufenden Motor immer aus und an . Verstehe ich nicht, ist ja letztendlich nur Zündungsplus über den Neutralschalter auf Masse gelegt. Wenn der Motor läuft scheint das Neutral stabil zu leuchten, aber Fernlicht Anzeige geht immer aus und an. Die Lichter selbst Fernlicht, Bremslicht, Blinker etc. funktionieren. Jemand ne Idee?
- Merry
- XT-Forums-Guru

- Beiträge: 1833
- Registriert: Do Aug 17, 2006 12:02
- Wohnort: Mittelfranken
Re: Zündschloss
So ne kleine LED braucht viel weniger Spannung als ne konventionelle Glühfadenlampe. Dann können Kriechströme auch mal ein aufglimmen erzeugen, ohne dass die Funktion geschalten ist. Hier kann u.U. ein kleiner Widerstand helfen. Meine Neutral-LED hat auch zeitweise ein Eigenleben, v.a. nach Hochdruckreinigerattacken und tiefen Wasserdurchfahrten...
Drum vermute ich das Fernlicht-LED-Ding bei Dir im Schalter.
Drum vermute ich das Fernlicht-LED-Ding bei Dir im Schalter.
Gruß, Merry
Kann Spuren von Senf enthalten
Kann Spuren von Senf enthalten
-
schlork
- XT500-Online-Berater

- Beiträge: 626
- Registriert: Do Mär 21, 2019 13:33
Re: Zündschloss
OK danke. Das würde den Fall erklären, dass sie angeht ohne dass Fernlicht geschaltet ist. Ein Widerstand einfach in Reihe dazwischenschalten? Was für einer sollte das sein? Der andere Fall, dass z.B. das Neutrallämpchen ausgeht, wäre aber damit nicht erklärt. Mir ist der Gedanke gekommen, ob die Masse des Tachos direkt an die Batterie evtl. Abhilfe schaffen könnte?
-
schlork
- XT500-Online-Berater

- Beiträge: 626
- Registriert: Do Mär 21, 2019 13:33
Re: Zündschloss
Als Ergänzung: Das mit dem Neutralämpchen liegt wohl am Schalter. Gehe ich statt dem Schalter direkt auf Masse funktionierts einwandfrei. Der Schalter ist allerdings nagelneu, der Teurere von Kedo. Soll ich den zurück schicken?
Nach wie vor noch die Frage nach dem Widerstand fürs Fernlichtlämpchen?
Nach wie vor noch die Frage nach dem Widerstand fürs Fernlichtlämpchen?
- Merry
- XT-Forums-Guru

- Beiträge: 1833
- Registriert: Do Aug 17, 2006 12:02
- Wohnort: Mittelfranken
Re: Zündschloss
Ich bin nun wirklich auch kein Elektrikfuzzi aber im Prinzip sollte es wohl darum gehen, die Last vor der LED zu erhöhen, den Kriechstrom im Widerstand zu lassen. Mit nem Wert kann ich da leider nicht dienen, dafür bräuchte man wahrscheinlich ein paar Formeln und einzufügende Daten.Nach wie vor noch die Frage nach dem Widerstand fürs Fernlichtlämpchen?
Zum Beispiel, wie hoch die Spannung im Bordnetz ist, wieviel Leistung nimmt die LED auf, wieviel das originale Leuchtmittel für die Fernlichtkontrolle?
Die großen Suchmaschinen spucken allerhand Formeln und Hilfeseiten aus, mit ein bißchen Muse kann man da durchaus mal rumrechnen. Oder einfach einen Elektr(on)iker aus dem Bekanntenkreis fragen.
Gruß, Merry
Kann Spuren von Senf enthalten
Kann Spuren von Senf enthalten
Wer ist online?
Mitglieder in diesem Forum: Bing [Bot], Google [Bot] und 2 Gäste