Sonntagsrätsel
- Mambu
- XT-Forums-Guru

- Beiträge: 2454
- Registriert: So Jun 01, 2003 10:55
- Wohnort: Grießen
Re: Sonntagsrätsel
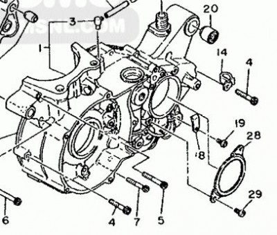
...Pos. 28 ist das Blech und dazu gehören Begestigungspunkte am Gehäuse...
...Baujahr für die Verstärkung hatte ich schon genannt...85, evtl. auch später 84er...
- Ralle
- XT-Forums-Guru

- Beiträge: 2408
- Registriert: Mo Feb 02, 2004 9:51
- Wohnort: 49393 Lohne
Re: Sonntagsrätsel
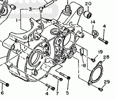
Du meinst das hier, ja? Vorher sah das so aus:Hmm...Ich denke du meinst das richtige, aber Schrauben sind da schon drin.. ein Punkt kann ich dir aber trotzdem dafür gebenManche Motorhälften haben da einen Anguß drin abr keine Bohrung für eine Schraube !
Nein Hardy, Schrauben hatten alle gleich viele
Gruß, Hardy
also dafür bekommste dann auch noch ein Punkt
Bj. ab wann das so war, fehlt jetzt aber noch...dann gibt es noch ein Punkt
Einmal XT....immer XT
- Mambu
- XT-Forums-Guru

- Beiträge: 2454
- Registriert: So Jun 01, 2003 10:55
- Wohnort: Grießen
Re: Sonntagsrätsel
...ab 80!
- Ralle
- XT-Forums-Guru

- Beiträge: 2408
- Registriert: Mo Feb 02, 2004 9:51
- Wohnort: 49393 Lohne
Re: Sonntagsrätsel
Das kannte ich bis Dato echt nicht...Pos. 28 ist das Blech und dazu gehören Begestigungspunkte am Gehäuse...20200322_150730.jpg
...Baujahr für die Verstärkung hatte ich schon genannt...85, evtl. auch später 84er...
Einmal XT....immer XT
- Ralle
- XT-Forums-Guru

- Beiträge: 2408
- Registriert: Mo Feb 02, 2004 9:51
- Wohnort: 49393 Lohne
- GJF
- Fleißiger Poster

- Beiträge: 298
- Registriert: Do Feb 02, 2006 11:19
- Wohnort: Hilden
- GJF
- Fleißiger Poster

- Beiträge: 298
- Registriert: Do Feb 02, 2006 11:19
- Wohnort: Hilden
Re: Sonntagsrätsel
Waaaas muss ich da lesen ?.. Ein 83er Motor in einer 88er S ??? Das ist nicht erlaubt. Ich muss die S jetzt leider konfiszieren und direkt nach der Corona Krise abholen.
Am Grunde eines Problems sitzt immer ein Deutscher.
(Voltaire)
(Voltaire)
- Ralle
- XT-Forums-Guru

- Beiträge: 2408
- Registriert: Mo Feb 02, 2004 9:51
- Wohnort: 49393 Lohne
- Ralle
- XT-Forums-Guru

- Beiträge: 2408
- Registriert: Mo Feb 02, 2004 9:51
- Wohnort: 49393 Lohne
Re: Sonntagsrätsel
Waaaas muss ich da lesen ?.. Ein 83er Motor in einer 88er S ??? Das ist nicht erlaubt. Ich muss die S jetzt leider konfiszieren und direkt nach der Corona Krise abholen.![]()
Einmal XT....immer XT
- Mambu
- XT-Forums-Guru

- Beiträge: 2454
- Registriert: So Jun 01, 2003 10:55
- Wohnort: Grießen
Re: Sonntagsrätsel
...mhm, ich habe hier nen 79er Motor, der hat noch die alte Version...Leider falsch...ab 80!
- Ralle
- XT-Forums-Guru

- Beiträge: 2408
- Registriert: Mo Feb 02, 2004 9:51
- Wohnort: 49393 Lohne
Re: Sonntagsrätsel
Welche Motornummer hat der denn?...mhm, ich habe hier nen 79er Motor, der hat noch die alte Version...Leider falsch...ab 80!![]()
Einmal XT....immer XT
- YAMAHARDY
- Fleißiger Forums-Guru

- Beiträge: 2864
- Registriert: Mi Jun 28, 2006 13:08
- Wohnort: Berlin
Re: Sonntagsrätsel
Genau das meinte ich !Du meinst das hier, ja?Hmm...Ich denke du meinst das richtige, aber Schrauben sind da schon drin.. ein Punkt kann ich dir aber trotzdem dafür geben
Manche Motorhälften haben da einen Anguß drin abr keine Bohrung für eine Schraube !
Gruß, Hardy
20200315_102928.jpg
Vorher sah das so aus:
20200315_104915.jpg
also dafür bekommste dann auch noch ein Punkt
Bj. ab wann das so war, fehlt jetzt aber noch...dann gibt es noch ein Punkt![]()
Bin unterwegs , schreibe gerade mit Handy !
9 Punkte ist ok !
Viel Spaß noch und wie gesagt : bleibt Gesund !
Gruß, Hardy
„Eine Garage ohne XT 500 ist nur ein ödes, leeres Loch!“

- Mambu
- XT-Forums-Guru

- Beiträge: 2454
- Registriert: So Jun 01, 2003 10:55
- Wohnort: Grießen
Re: Sonntagsrätsel
1U6-111072
- rei97
- Fleißiger Forums-Guru

- Beiträge: 4085
- Registriert: So Jul 13, 2003 20:14
- Wohnort: Denkendorf
Re: Sonntagsrätsel
Also:
Bin mal wieder hier reingeflutscht , weil man ja bestenfalls in der Garasch oder im Garten oder beim Grillen untrerwegs sein soll .
Hauptsache im Freien.
Zum Thema.
Karosse der XT ist nicht meins, aber Mototinnereien und Gaserteile kernne ich beim Vornamen.
Da waren demletzt einige Teile mir bekannt vor. aber 3 Motore im Aufbau lassen nicht viel Zeit über.
Wenn alles gefundenen ist, Glückwunsch an die Gewinner des Kontest.
Regards
Rei97
Bin mal wieder hier reingeflutscht , weil man ja bestenfalls in der Garasch oder im Garten oder beim Grillen untrerwegs sein soll .
Hauptsache im Freien.
Zum Thema.
Karosse der XT ist nicht meins, aber Mototinnereien und Gaserteile kernne ich beim Vornamen.
Da waren demletzt einige Teile mir bekannt vor. aber 3 Motore im Aufbau lassen nicht viel Zeit über.
Wenn alles gefundenen ist, Glückwunsch an die Gewinner des Kontest.
Regards
Rei97
- Ralle
- XT-Forums-Guru

- Beiträge: 2408
- Registriert: Mo Feb 02, 2004 9:51
- Wohnort: 49393 Lohne
Re: Sonntagsrätsel
Aha Mambu1U6-111072
Einmal XT....immer XT
Zurück zu „Dies und das [off topic]“
Wer ist online?
Mitglieder in diesem Forum: 0 Mitglieder und 1 Gast